Texas Instruments Convertisseur Buck synchrone 12 A TPS51388
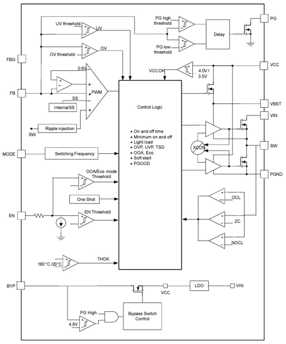
Le convertisseur Buck synchrone 12 A TPS51388 de Texas Instruments possède des MOSFET intégrés qui permettent une efficacité élevée et offrent une facilité d'utilisation avec un minimum de composants externes pour les systèmes d'alimentation à faible encombrement. Le TPS51388 utilise un mode de contrôle D-CAP3 qui offre une excellente régulation de la ligne et de la charge et une réponse rapide aux transitoires avec une compensation interne. La fonction de prolongation de l'autonomie de la batterie ULQ permet d'augmenter considérablement l'autonomie de la batterie en mode basse consommation. L'exploitation à haut rendement améliore considérablement les performances transitoires de la charge lorsque la tension d'entrée est faible.La broche EN peut être utilisée pour activer le mode Eco ou le mode Out-of-Audio (OOA) en cas de faible charge. Le mode Eco maintient une efficacité élevée en cas de faible charge, tandis que le mode OOA maintient la fréquence de commutation au-dessus de la fréquence audible avec une réduction minimale de l'efficacité. La broche EN peut basculer dynamiquement, même lorsque le convertisseur est en cours d'exploitation.
Le TPS51388 de Texas Instruments offre une fonction de décharge de sortie et intègre un indicateur de bon fonctionnement. Il offre une protection complète et comprend OVP, UVP, OCP, OTP et UVLO. Le dispositif est disponible dans un boîtier HotRod à 13 broches, 3,0 mm × 4,0 mm, et la température de jonction est spécifiée de -20°C à 125 °C.
Caractéristiques
- Plage de tension d'entrée de 4,5 V à 24 V
- Tension de sortie de 0,6 V à 5,5 V
- FET intégrés de 9,2 mΩ et 4,5 mΩ
- Prend en charge un courant de sortie continu de 12 A
- Faible courant de repos de 90 µA
- ± 1,0 % de précision de la tension de référence (25 °C)
- Contrôle d'architecture avec mode de contrôle D-CAP3™ pour une réponse transitoire rapide
- Prend en charge POSCAP et le condensateur de sortie tout MLCC
- Eco-mode et mode Out-of-Audio™ sélectionnables avec changement dynamique
- Vie de la batterie prolongée ULQ™ en mode veille du système
- Fonction de décharge de sortie intégrée
- Indicateur de bon fonctionnement intégré
- Fréquence de commutation sélectionnable de 600 kHz et 1 MHz
- Temps de démarrage progressif fixe de 1,0 ms
- Fonctionnement à rapport cyclique important
- Protection contre les surintensités et les surintensités négatives cycle par cycle
- Protections OV et UV de sorties verrouillées
- Protections UVLO et OT non verrouillées
- Température de fonctionnement de jonction de -20 °C à 125 °C
- Boîtier HotRod™ VQFN à 13 broches de 3,0 mm x 4,0 mm
Applications
- Ordinateurs PC et notebook
- Ultrabook, tablettes PC portables
- PC industriels, ordinateurs mono-carte
- Drone non-militaire
- Systèmes d'alimentation distribués
Schéma fonctionnel
