Texas Instruments Convertisseur Buck synchrone TPS51386
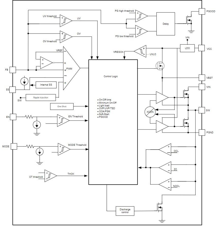
Le convertisseur abaisseur synchrone TPS51386Texas Instruments est un convertisseur abaisseur synchrone monolithique avec mode de contrôle adaptatif D-CAP3 à temps. Ce dispositif présente une plage de tension d'entrée de 4,5 V à 24 V , une plage de tension de sortie de 0,6 V à 5,5 V , un courant continu (IOUT) de 8 A et un faible courant de repos de 84 μA. Le TPS51386 incorpore des MOSFET de puissance à faible RDS(on) pour permettre une haute efficacité et offrir une facilité d'utilisation avec un nombre minimal de composants externes pour les systèmes d'alimentation à espace limité. Ce convertisseur abaisseur synchrone présente une tension de référence précise, une réponse transitoire à charge rapide, un fonctionnement en mode saut automatique pour une efficacité à faible charge et un fonctionnement à charge légère Out-of-Audio™ (OOA) avec une fréquence de commutation > 25 kHz.Le convertisseur TPS51386 offre des protections complètes telles que la protection contre les surtensions (OVP), la protection contre les sous-tensions (UVP), la protection contre les surintensités (OCP), la protection contre la surchauffe (OTP) et la protection contre les sous-tensions (UVLO). Les applications typiques incluent les ordinateurs portables, les PC, les ordinateurs, les ultrabooks, les tablettes, les téléviseurs, les décodeurs, les points de chargement (POL) et les systèmes d'alimentation distribués.
Caractéristiques
- Plage de tension d'entréede 4,5 V à 24 V
- Plage de tension de sortie de 0,6 V à 5,5 V
- MOSFET 22 mΩ et 11 mΩ intégrés
- Prend en charge un courant continu de 8 A (IOUT)
- Mode de contrôle D-CAP3™ pour une réponse transitoire rapide
- Faible courant de repos de 84 µA
- Tension de référence de 0,6 V à ±1 % à 25 °C
- Tension de référence de 0,6 V à ±1,5 % à -40 °C à +125 °C
- Fréquence de commutation 600 kHz
- Prend en charge POSCAP et tous les condensateurs de sortie MLCC
- Mode PSM et Out-of-Audio™ (OOA) sélectionnables sous une charge légère et prend en charge les changements à la volée
- Démarrage progressif réglable et démarrage progressif interne 1 ms
- Assistance aux opérations de grande envergure
- Indicateur de bonne alimentation pour surveiller la tension de sortie
- Sortie verrouillée OV et protection UV
- Protection OT et UVLO non verrouillée
- Protection contre les surintensités cycle par cycle
- Fonction de décharge de sortie intégrée
- Petit boîtier QFN HotRod™ de 2 mm × 3 mm
Applications
- Ordinateurs portables
- Ordinateurs PC
- Ultralivres
- Ordinateurs tablettes
- Téléviseurs et décodeurs
- Point de charge (POL)
- Systèmes d'alimentation distribués
Schéma fonctionnel
Circuits d'application standard
Publié le: 2024-01-22
| Mis à jour le: 2024-02-19
