Texas Instruments Convertisseur Buck synchrone 7 A TPS51385
Le convertisseur Buck synchrone 7 A TPS51385 Texas Instrument dispose d'un mode de contrôle adaptatif à temps D-CAP3. Les MOSFET de puissance intégrés à faible RDS(on) permettent une haute efficacité et offrent une facilité d'utilisation avec un nombre minimal de composants externes pour les systèmes d'alimentation à espace restreint. Les caractéristiques incluent une tension de référence précise, un fonctionnement en mode saut automatique pour une efficacité de charge légère, une réponse transitoire de charge rapide, un fonctionnement en charge légère OOA avec une fréquence de commutation > 25 kHz, un mode de contrôle D-CAP3 avec une régulation de charge, une bonne ligne et ne nécessite pas de compensation externe.Le TPS51385 offre une protection complète OVP, UVP, OCP, OTP et UVLO. L'appareil dispose d'une fonction de décharge de sortie combinée et d'un signal de bonne puissance. Le TPS51385 prend en charge les options d'heure de démarrage progressif externes et internes. L'appareil a une heure de démarrage progressif interne fixe de 1 ms. Si l'application nécessite un temps de démarrage progressif plus long, la broche SS externe peut être utilisée pour obtenir un temps de démarrage progressif plus long en connectant le condensateur externe. Les TPS51385 de Texas Instruments sont conçus pour fonctionner de la température de jonction de-40 °C à 125 °C et sont disponibles dans un boîtier QFN à 12 broches thermiquement amélioré.
Caractéristiques
- Plage de tension d'entréede 4,5 V à 24 V
- Plage de tension de sortie de 0,6 V à 5,5 V
- MOSFET 22 mΩ et 11 mΩ intégrés
- Prennent en charge IOUT continu de 7 A
- Faible courant de repos de 84 µA
- Tension de référence (0,6 V) ±1 % à 25 °C
- Tension de référence (0,6 V) ±1,5 % à une température comprise entre -40 °C et 125 °C
- Fréquence de commutation 1 MHz
- Mode de contrôle D-CAP3™ pour une réponse transitoire rapide
- Prend en charge POSCAP et tous les condensateurs de sortie MLCC
- Démarrage progressif réglable et démarrage progressif interne de 1 ms
- Mode PSM et Out-of-Audio™ (OOA) sélectionnables sous une charge légère et prend en charge les changements à la volée
- Assistance aux opérations de grande envergure
- Indicateur de bonne alimentation pour surveiller la tension de sortie
- Sortie verrouillée OV et protection UV
- Protection OT et UVLO non verrouillée
- Protection contre les surintensités cycle par cycle
- Fonction de décharge de sortie intégrée
- Petit boîtier QFN HotRod™ de 2,00 mm × 3,00 mm
- Broche à broche compatible avec TPS51386 (24 V, 8 A)
Applications
- Ordinateurs PC et notebook
- Ultrabooks, tablettes
- TV et STB, point de chargement (POL)
- Systèmes d'alimentation distribués
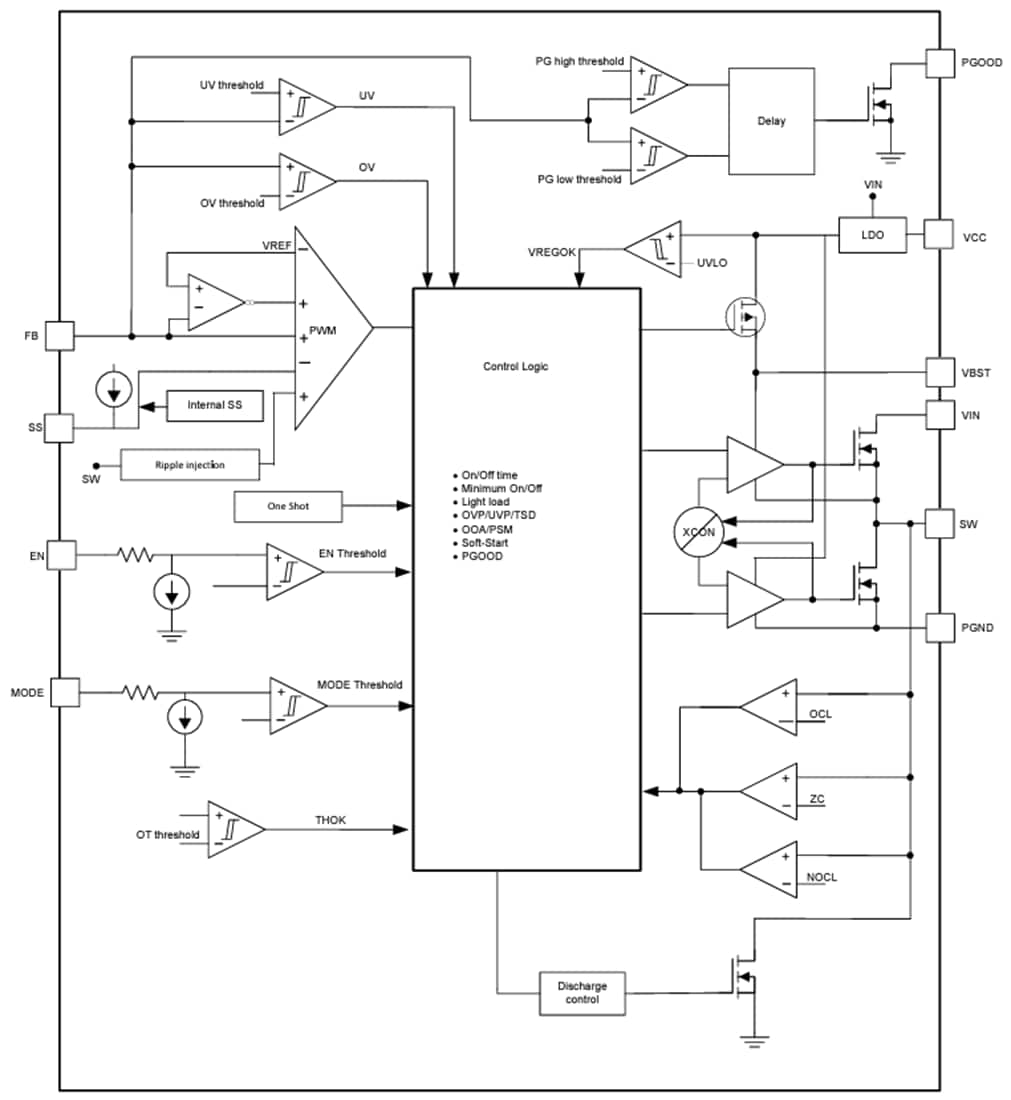
Schéma fonctionnel
