Texas Instruments Contrôleur Buck D-CAP2™ monophasé TPS51215A
Le contrôleur abaisseur (buck) monophasé D-CAP2 TPS51215A™ de Texas Instruments dispose d’une entrée VID de 2 bits prenant en charge 0 V et trois autres niveaux indépendants de tension de sortie programmables en externe. Ils sont idéaux lorsque la programmabilité externe complète du niveau de tension, du réglage de pas et de la vitesse de balayage de variation de tension est souhaitée. Il est utilisé pour les applications Intel IMVP8/9, où plusieurs niveaux de tension sont souhaités.Le TPS51215A de Texas Instruments adopte toutes les options de condensateurs de sortie MLCC tout céramique et/ou POS/SPCAP, dans des applications nécessitant une télédétection. Un condensateur d’intégrateur programmable externe permet une régulation stricte de charge à CC. Le TPS51215A fournit une suite complète de protection, notamment OVP, OCL, UVLO 5 V et arrêt thermique. Il adopte des tensions de conversion inférieures ou égales à 28 V et des tensions réglables de sortie de 0,5 à 2 V.
Le TPS51215A est disponible en boîtier de 3 × 3 mm, QFN et à pas de 0,4 mm et est spécifié de -40 à 125 °C.
Caractéristiques
- Rétroaction de tension différentielle
- Compensation CC pour une régulation précise
- Large plage de tension d'entrée de 3 V à 28 V
- Le VID flexible à 2 bits adopte une tension de sortie de 0,5 à 2,0 V et 0 V pour VOUT.
- Mode D-CAP2™ à 600 kHz pour condensateur de sortie à ESR ultra-faible/faible
- Détection de courant RDS(on) côté bas 4 700 ppm/°C
- Temps programmables de démarrage progressif et de transition de tension de sortie
- Décharge de sortie intégrée
- Bonne sortie d'alimentation
- Commutateur Boost intégré
- OVP/UVP/OCP intégrés
- Coupure thermique (sans verrouillage)
- Boîtier QFN (RUK) à 20 broches de 3 mm × 3 mm
Applications
- Micro-ordinateurs
- Ordinateurs de bureau
- Ordinateur industriel
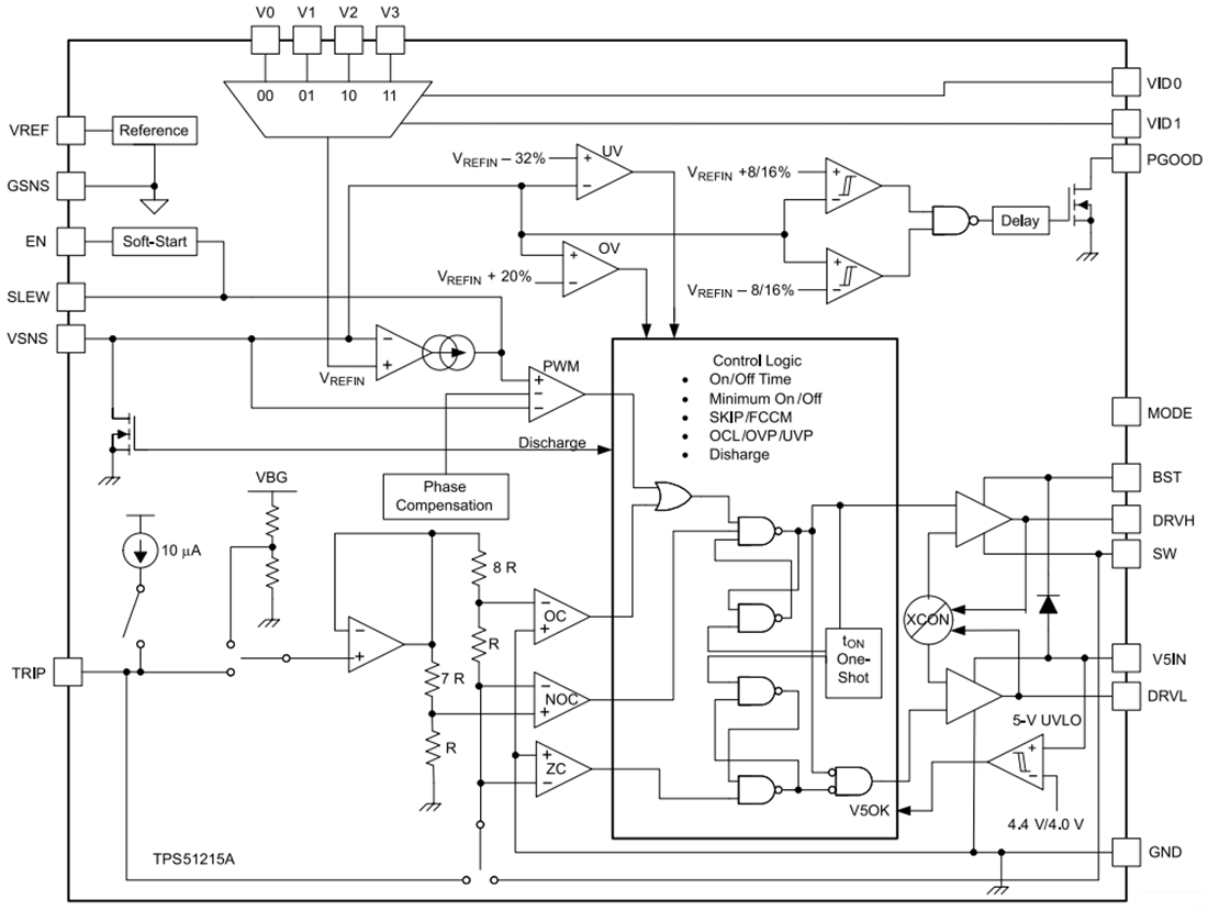
Diagramme fonctionnel
Publié le: 2020-08-12
| Mis à jour le: 2024-08-07
