Texas Instruments Contrôleurs de commutateurs intelligents côté haut TPS4816-Q1
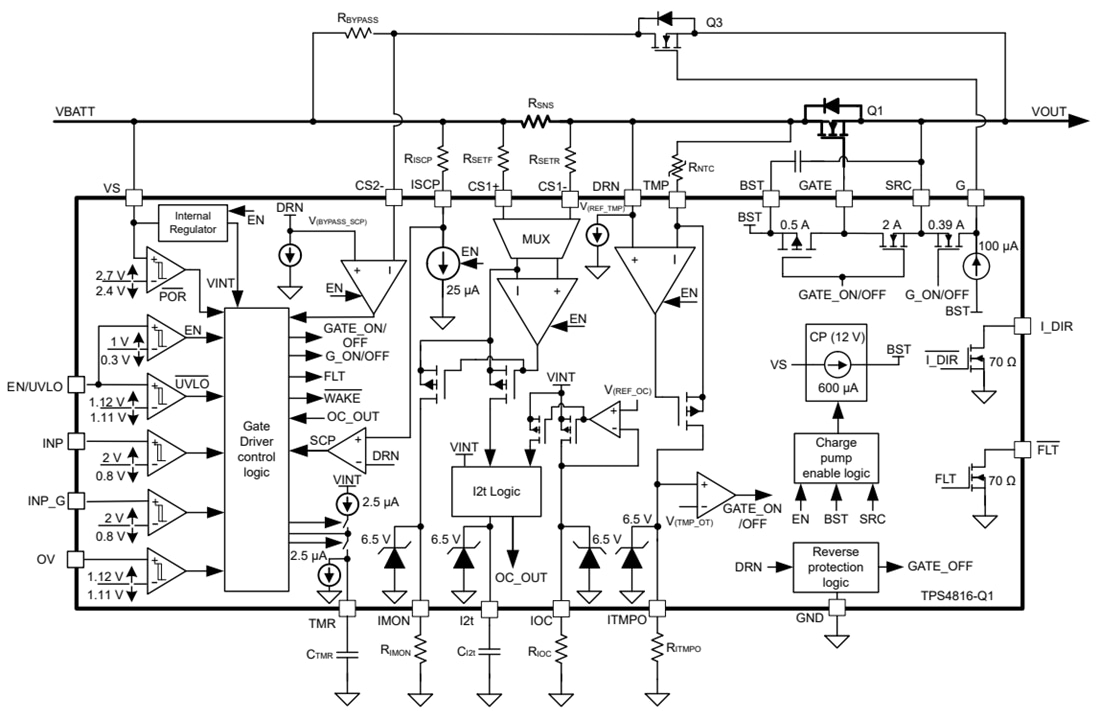
Les contrôleurs de commutateurs intelligents côté haut faible IQ TPS4816-Q1 de Texas Instruments disposent d’une protection et de diagnostics. Avec une large plage de tension d’exploitation de 3,5 V à 95 V (valeur nominale maximale absolue de 100 V), le dispositif convient aux conceptions de système automobile de 12 V, 24 V et 48 V.Le dispositif dispose d’un puissant pilote de GRILLE de dissipation de crête de 2 A et de source de crête de 0,5 A qui permet la commutation d’énergie à l’aide des FET parallèles dans des conceptions de systèmes à courant élevé. Utilisent INP comme entrée de contrôle du pilote de grille. Le contrôle de la vitesse de balayage des MOSFET (MARCHE et ARRÊT) est possible en plaçant des composants R-C externes. Il intègre également un pilote de précharge (G) avec une entrée de contrôle (INP_G). Cette caractéristique permet des conceptions qui doivent piloter de grandes charges capacitives. Le contrôleur consomme un courant d’arrêt total de 1 µA en mode arrêt avec une entrée d’alimentation de 48 V.
Le dispositif possède une sortie de détection de courant bidirectionnelle (±2 %) précise (IMON, I_DIR) avec une protection réglable contre les courts-circuits (±5 %) et les surintensités basée sur I2t utilisant une indication /FLT et une résistance RSNS externe. La récupération automatique ou le comportement aux défauts de verrouillage peuvent être configurés. Le dispositif comprend également une sortie de surveillance (ITMPO) et de détection de température à base de NTC (TMP) pour la détection de surchauffe des FET externes. Le TPS4816-Q1 de Texas Instruments est disponible dans un boîtier VQFN à 23 broches.
Caractéristiques
- Homologué pour l’automobile AEC-Q100 pour la température de classe 1
- Plage d’entrée de 3,5 V à 95 V (valeur maximale absolue de 100 V)
- Protection de l’entrée et de la sortie inversée jusqu’à –60 V
- Pompe de charge intégrée de 12 V
- Courant d’arrêt de 1 µA (EN/UVLO = faible)
- Commande à double grille avec grille = 0,5 A src/2A dissipateur, G = 100 µA src/0,39 A dissipateur
- Pilote de commutateur de précharge intégré (INP_G) pour piloter des charges capacitives
- Protection précise contre les surintensités I2t (IOC) avec minuteur de disjoncteur réglable (I2t)
- Protection contre les courts-circuits précise (±5 %) et rapide (5 µs)
- Sortie de moniteur de courant bidirectionnel analogique précise (±2 %) à 30 mV VSNS (IMON, I_DIR)
- Sortie de détection et de surveillance de surtempérature (TMP) basée sur NTC (ITMPO)
- Indication de défaut (/FLT) pendant un défaut de court-circuit, I2t, pompe de charge UVLO, OV, surchauffe
- TPS48160-Q1 (I2t activé), TPS48161-Q1 (I2t désactivé)
- Protection précise (±2 %) et ajustable contre les surtensions (OV) et le verrouillage en sous-tension (UVLO)
Applications
- Boîtier de distribution d'alimentation
- Module de commande de carrosserie
- Convertisseurs CC-CC
- Système de gestion de batterie
Schéma fonctionnel
