Texas Instruments Pilote côté haut TPS4800-Q1
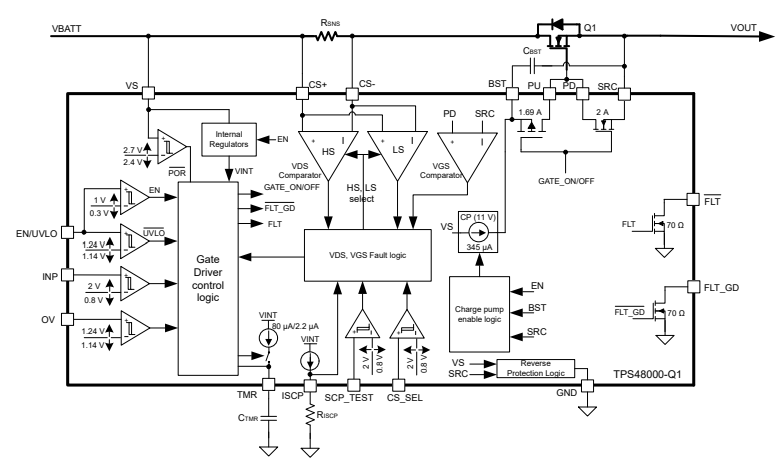
Le pilote côté haut TPS4800-Q1 de Texas Instruments est un dispositif de 100 V et faible IQ adapté aux conceptions de systèmes de 12 V, 24 V et 48 V. Ce pilote avec protection contre la polarité inverse est conçu pour résister et protéger les charges contre les tensions d'alimentation négatives jusqu'à -65 V. Le pilote TPS4800-Q1 comprend un puissant pilote de grille (2 A) qui permet la commutation de puissance à l'aide de MOSFET parallèles dans les conceptions de systèmes à courant élevé. Ce pilote offre une protection contre les courts-circuits configurable utilisant des broches ISCP et TMR pour ajuster le seuil et temps de réponse. Le pilote TPS4800-Q1 est qualifié AEC-Q100 pour les applications automobiles.Le pilote TPS4800-Q1 dispose d'une pompe de charge intégrée de 11 V, d'une configuration de détection de courant haute ou basse tension (CS_SEL) et d'une indication de défaut (FLT_GD) pour la fonction de verrouillage de la sous-tension de la commande de grille (UVLO). Ce pilote dispose également d'un diagnostic du comparateur de court-circuit interne en utilisant un contrôle externe sur l'entrée SCP_TEST. Le pilote TPS4800-Q1 est utilisé dans les systèmes de gestion de batterie (BMS) automobiles de 48 V, les convertisseurs CC-CC et les outils électriques.
Caractéristiques
- AEC-Q100 automobile qualifié pour les applications automobiles
- Classe de température du dispositif 1 : plage de température de fonctionnement ambiante de –40 °C à 125 °C
- Protection de l'entrée inverse jusqu'à -65 V
- Pompe de charge intégrée de 11 V
- Courant de repos faible, 43 µA en exploitation
- Faible courant d'arrêt de 1,5 µA (EN/UVLO = Bas)
- Pilote de grille puissant (source et dissipateur 2 A)
- Plage de tension d'entrée de 3,5 V à 95 V (100 V maximum absolu)
- Protection contre les courts-circuits réglable (ISCP) à l'aide d'une détection externe Rsense ou de la VDS du MOSFET avec retard réglable (TMR)
- Configuration de détection de courant côté haut ou côté bas (CS_SEL)
- Verrouillage de sous-tension (UVLO) d'entrée réglable et protection contre les surtensions (OV)
- Indication de défaut (FLT) en cas de défaut de court-circuit, de sous-tension d'entrée et de diagnostic du comparateur de court-circuit (SCP_TEST)
- Indication de défaut (FLT_GD) pour la commande de grille UVLO
Applications
- BMS 48 V automobile
- Convertisseurs CC-CC,
- Outils électriques
Schéma fonctionnel
Circuit d'application avec alimentation externe vers BST
Publié le: 2025-01-16
| Mis à jour le: 2025-04-17
