Texas Instruments Superviseurs de tension TPS38800-Q1/TPS388R0-Q1
Les Superviseurs automobiles de tensions Texas Instruments TPS38800-Q1/TPS388R0-Q forment un dispositif ASIL-B pour CI de superviseurs à fenêtres de 2 à 8 canaux, disponibles en boîtierQFN à 16 broches de 3 mm x 3 mm. Ce superviseur de tensions multicanaux de haute précision est conçu pour des systèmes fonctionnant sur des rails d'alimentation à basses tensions et présentant des tolérances d'alimentation à marges étroites.La fonctionnalité I2C présente une flexibilité dans la sélection de seuils, de retards de réinitialisation, de filtres de perturbations et dans la fonctionnalité de broches. L'immunité interne contre les parasites et les filtres de bruit éliminent le besoin de composants RC externes pour réduire les fausses réinitialisations résultant des transitoires de puissance. Le LTPS38800-Q1/TPS388R0-Q1 ne nécessite pas résistances externe pour définir les seuils de réinitialisation de surtensions et de sous-tensions, ce qui optimise encore la précision globale, le coût et taille en améliorant la fiabilité de systèmes de sécurité.
Caractéristiques
- Produit conforme à la sécurité fonctionnelle ASIL-B
- Objectif de développement pour les applications de sécurité fonctionnelle
- Documentation destinée à faciliter la conception du système ISO 26262
- Capacité systématique jusqu'à ASIL D
- Capacité matérielle jusqu'à ASIL B
- Qualifié AEC-Q100 avec plage de température de dispositif de -40 à 125 °C, classe 1
- Surveillance des SOC de pointe
- Précision de seuil ±6 mV (de -40 à 125 °C)
- Plage de tension d'entrée de 2,5 à 5,5 V
- Blocage de sous-tension (UVLO) à 2,48 V
- Faible courant de repos maximal en mode inactif de 200 µA
- Configuration de 2 à 8 canaux disponible
- Niveaux de seuil de fenêtre fixes
- incréments de 5 mV de 0,2 V à 1,475 V
- Pas de 20 mV, de 0,8 à 5,5 V
- Boîtier miniature et coût minimal de composants
- Boîtier QFN de 3 mm x 3 mm
- Immunité contre les perturbations ajustable par l'utilisateur via l'I2C
- Niveaux de seuils de tension ajustables par l'utilisateur via l'I2C
- Conçu pour les applications de sécurité :
- Sortie NIRQ à niveau bas actif et à drain ouvert (verrouillée)
- Sortie NRST en drain ouvert et à niveau bas actif (retard de réinitialisation)
- Vérification de redondance cyclique (CRC)
- Vérification des erreurs de paquets (PEC)
Applications
- Système avancé d'aide à la conduite (ADAS)
- Fusion de capteur
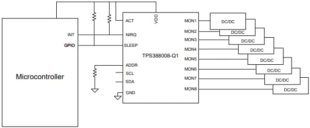
Circuit standard
Schéma fonctionnel
Ressources supplémentaires
Publié le: 2025-01-22
| Mis à jour le: 2025-05-06
