Texas Instruments Module d'évaluation TPS274C65CPEVM
Le module d'évaluation TPS274C65CPEVM de Texas Instruments est conçu pour évaluer l'ensemble des performances et des fonctionnalités du commutateur côté haut industriel TPS274C65CP. Ce module d'évaluation permet aux utilisateurs d'isoler le commutateur intelligent haut de gamme TPS27465 à quatre canaux avant de le concevoir dans un système électrique plus grand. Le module d'évaluation TPS274C65CPEVM comprend un convertisseur abaisseur 3,3 V intégré pour permettre un VDD externe et un périphérique inférieur Iq. Cette carte d'évaluation offre un moyen transparent de connecter un ensemble d'alimentations aux entrées du commutateur TPS274C65. La carte TPS274C65CPEVM est conçue pour connecter des charges aux canaux de sortie et allumer/éteindre l'appareil à l'aide des broches de contrôle de la puce. Cette carte offre un moyen simple de confirmer et d'infirmer des signaux logiques grâce à l'utilisation d'un ensemble de cavaliers matériels externes. Le module d'évaluation TPS274C65CP est utilisé dans les systèmes industriels de contrôleurs logiques programmables (PLC), les modules de sortie numérique, les ports IOLink et les alimentations de capteurs.Caractéristiques
- Prend en charge la version CP du commutateur TPS274C65
- Convertisseur abaisseur 3,3 V intégré permettant un VDD externe et un périphérique inférieur Iq
- Plage de tension de fonctionnement de 12 V à 36 V
- Limite de courant programmable avec résistance externe
- Température de fonctionnement à l'air libre de -40 °C à 125 °C
Applications
- Systèmes industriels de contrôleurs logiques programmables (PLC)
- Modules sortie numérique
- Ports IOLink
- Fournitures pour capteurs
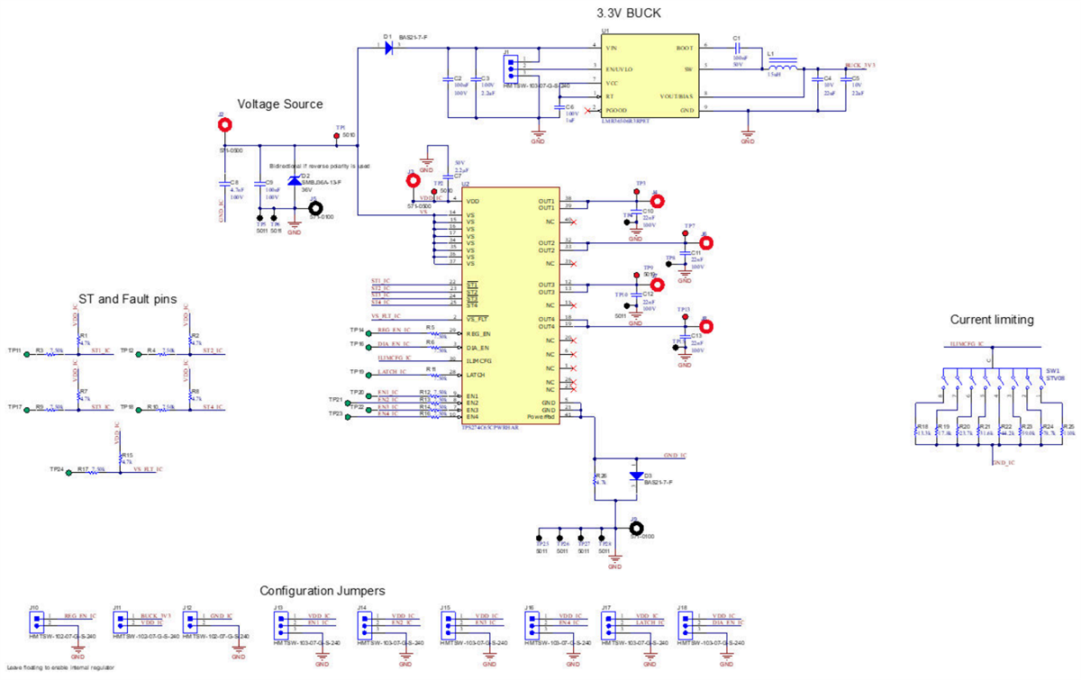
Schéma
Publié le: 2024-01-24
| Mis à jour le: 2024-01-29
