Texas Instruments Fusibles électroniques empilables
Les fusibles électroniques empilables TPS25984 de Texas Instruments sont une solution intégrée de protection des circuits à courant élevé et de gestion de l'alimentation dans un petit boîtier. Ces dispositifs offrent différents modes de protection avec un minimum de composants externes, servant de protection fiable contre les surcharges, les courts-circuits et les courants d'appel excessifs. Les fusibles électroniques TPS25984 fonctionnent dans une plage de tensions de fonctionnement d'entrée de 4,5 V à 16 V et prennent en charge la connexion parallèle de plusieurs fusibles électroniques pour une prise en charge de courant plus élevée. Ces fusibles électroniques empilables offrent un contrôle de vitesse de montée de sortie réglable (dVdt) pour la protection contre le courant d'appel et une entrée d'activation élevée active avec verrouillage de sous-tension réglable (UVLO). Les fusibles électroniques TPS25984 conviennent aux entrées de permutation et de branchement à chaud, aux serveurs et à l'informatique haute performance, aux cartes d'interface réseau, aux cartes accélératrices graphiques/matérielles et aux commutateurs/routeurs de centres de données.Caractéristiques
- Plage de tension de fonctionnement d'entrée de 4,5 V à 16 V :
- 20 V maximum absolu
- Supporte des tensions négatives jusqu'à –1 V à la sortie
- FET intégré 0,8 mΩ avec une résistance à l'état passant ultra faible (standard)
- Conçu pour un courant RMS de 55 A et un courant crête de 70 A
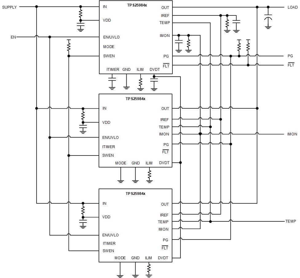
- Prend en charge la connexion parallèle de plusieurs fusibles électroniques pour une prise en charge de courant plus élevé
- Synchronisation active de l'état de l'appareil et partage de charge pendant le démarrage et en régime permanent
- Protection robuste contre les surintensités :
- Seuil de surintensité réglable (IOCP) de 10 A à 55 A avec une précision de ±5 %
- Réponse du disjoncteur en fonctionnement à régime établi avec un minuteur de surintensité transitoire (ITIMER) réglable pour prendre en charge des courants de crête jusqu'à 2 × IOCP
- Limite de courant actif réglable pendant le démarrage (ILIM)
- Surveillance précise du courant de charge analogique
- ±1,4 % de précision
- Bande passante > 500 kHz
- Protection robuste contre les courts-circuits
- Réponse rapide (< 200 ns) aux événements de court-circuit de sortie
- Seuil réglable (2 × IOCP)
- Immunisé pour fournir les transitoires de ligne, sans déclenchement intempestif
- Protection rapide contre les surtensions (seuil 16,7 V fixe)
- Contrôle de vitesse de balayage de sortie réglable (dVdt) pour la protection contre le courant d'appel
- Entrée d'activation active haut avec verrouillage de sous-tension (UVLO) réglable
- Protection contre la surchauffe (OTP) pour garantir FET SOA :
- SOA FET garanti 10 W√s
- Surveillance et rapports de santé FET intégrés
- Sortie détecteur thermostatique (TEMP) de puce analogique
- Broche d'indication de défaut dédiée (FLT)
- Broche d'indication de bonne alimentation (PG)
- Package QFN 5 mm × 5 mm à faible encombrement
- 100 % sans plomb
Applications
- Échange à chaud et branchement à chaud en entrée
- Serveur et calcul haute performance
- Cartes d'interface réseau
- Cartes d'accélérateur matériel et graphiques
- Commutateurs et routeurs pour centres de données
- Plateaux de ventilateur
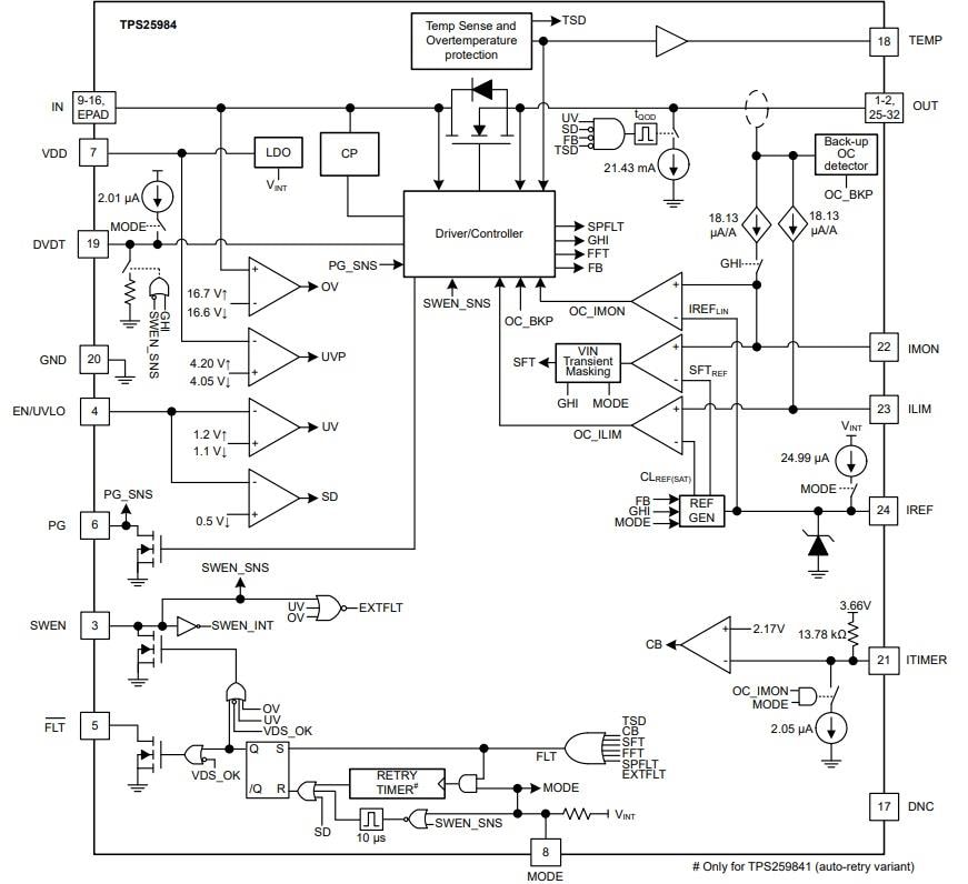
Schéma fonctionnel
Schéma simplifié
Publié le: 2024-01-22
| Mis à jour le: 2024-02-19
