Texas Instruments Contrôleurs de ports de chargement USB Type-A TPS2586x-Q1
Les contrôleurs de ports de chargement double USB Type-A TPS2586x-Q1 de Texas Instruments sont une solution de port de chargement USB intégrée. Le TPS2586x-Q1 de TI comprend un convertisseur CC-CC synchrone capable de fournir jusqu'à 6,6 A. De plus, le TPS2586x-Q1 dispose d'une détection et d'un contrôle intégrés pour mettre en œuvre des ports de charge de batterie USB 1.2 et Type-C.Caractéristiques
- Homologués AEC-Q100 pour les applications automobiles :
- Plage de température TA de classe 1 de -40 °C à +125 °C
- Niveau de classification HBM ESD H2
- Niveau C5 de classification CDM ESD
- Régulateur Buck synchrone
- 95,2 % à VIN = 13,5 V, IPA_BUS = 2,4 A et IPB_BUS = 2,4 A haut rendement à 400 kHz
- MOSFET régulateurs buck à faible RDS(ON) 18 mΩ/10 mΩ
- Plage de tension de fonctionnement en entrée de 5,5 V à 26 V, supporte 36 V
- Fréquence réglable de 200 kHz à 800 kHz
- FPWM avec tramage à spectre étalé
- Tension de sortie sélectionnable 5,1 V ; 5,17 V ; 5,3 V ; 5,4 V
- Chemin d'alimentation interne :
- MOSFET de puissance USB internes à faible RDS(ON) 7 mΩ/7 mΩ
- ±10% à une limite de courant de 2,73 A pour les ports USB avec une haute précision
- Alimentation de 5,1 V, 200 mA pour les charges auxiliaires SORTANTES
- Compensation de chute de ligne de charge de 90 mV à 2,4 A
- Conforme aux normes USB-IF
- Modes DCP automatiques :
- Mode court-circuit selon BC1.2 et YD/T 1591 2009
- Mode 1,2 V
- Diviseur à 2,7 V 3 modes
- Modes DCP automatiques :
- Délestage de charge par rapport aux ta programmables
- Gamme TJ de dispositifs de –40°C à +150 C
Applications
- Ports de chargement USB pour automobile
- Concentrateurs multimédia USB automobile
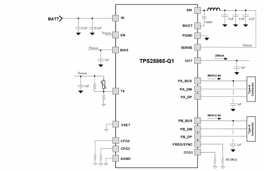
Schéma simplifié
Circuit d'application standard
Publié le: 2020-12-30
| Mis à jour le: 2025-03-10
