Texas Instruments Convertisseur Buck synchrone TPS25846-Q1
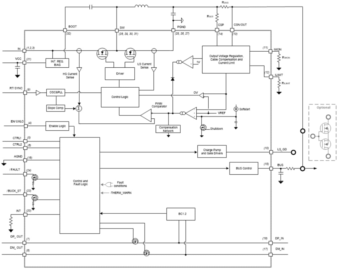
Le convertisseur Buck synchrone TPS25846-Q1 de Texas Instruments est une solution de chargement USB Type-A BC1.2 avec un convertisseur CC-CC synchrone. Grâce à la compensation de chute de câble, la tension du bus V reste constante quel que soit le courant de charge, ce qui garantit que les dispositifs portables connectés sont chargés à un courant et une tension optimaux, même en cas de fortes charges. Le TPS25846-Q1 comprend des commutateurs analogiques à large bande passante pour le passage DP et DM. Le dispositif intègre également une protection contre les courts-circuits de la batterie sur les broches VBUS, DM_IN et DP_IN. Ces broches peuvent supporter une tension allant jusqu’à 18 V.Le convertisseur Buck synchrone fonctionne avec une commande en mode courant et est compensé en interne pour simplifier la conception. Une résistance sur la broche RT fixe la fréquence de commutation entre 300 kHz et 2,2 MHz. Ces dispositifs fonctionnent en dessous de 400 kHz ce qui permet d’améliorer l’efficacité du système. L’exploitation au-dessus de 2,1 MHz permet d’éviter les bandes radio AM et d’utiliser une inductance plus petite. Le TPS25846-Q1 de Texas Instruments intègre les signatures électriques nécessaires aux dispositifs existants qui utilisent les lignes de données USB pour déterminer la configuration du chargement. Les caractéristiques de protection comprennent la limite du courant cycle par cycle, la protection contre les courts-circuits de type « hoquet », le verrouillage de sous-tension, la surtension et la surintensité du VBUS, le court-circuit de la ligne de données (Dx) au VBUS et la protection contre la surchauffe de la puce.
Caractéristiques
- Homologué AEC-Q100 pour les applications automobiles
- Classe 1 de température TA de 40 °C à +125 °C
- Niveau de classification HBM ESD H2
- Niveau C5 de classification CDM ESD
- Régulateur CC/CC Buck synchrone
- Plage de tension d'entrée de 4,5 V à 36 V
- Courant de sortie 3,5 A
- Tension de sortie de 5,1 V avec une précision de ±1 %
- Contrôle du mode courant
- Fréquence réglable de 300 kHz à 2,2 MHz
- Synchronisation de la fréquence avec une horloge externe
- FPWM avec tramage à spectre étalé
- Compensation interne pour une utilisation facile
- Conforme aux normes USB-IF
- Mode CDP/SDP selon USB BC1.2
- Optimisé pour l'alimentation et la communication USB
- Limite de courant USB programmable par l’utilisateur
- Compensation de chute de câble jusqu'à 1,5 V
- Commutateurs de données à grande largeur de bande sur DP et DM
- Mode client pour la mise à jour du système
- Protection intégrée
- Protection contre les courts-circuits entre VBUS et VBAT
- Court-circuit DP_IN et DM_EN vers VBAT
- Court-circuit DP_IN et DM_IN vers VBUS
- DP_IN, DM_IN classés CEI 61000-4-2
- Décharge par contact ±8 kV et dans l'air ±15 kV
- Rapports d'anomalies
- Boîtier QFN 32 broches avec flanc mouillable
Applications
- Systèmes d'info-divertissement automobiles
- Ports USB multimédia
- Ports de chargeur USB
Schéma fonctionnel
