Texas Instruments Commutateur de charge à résistance active TPS22999
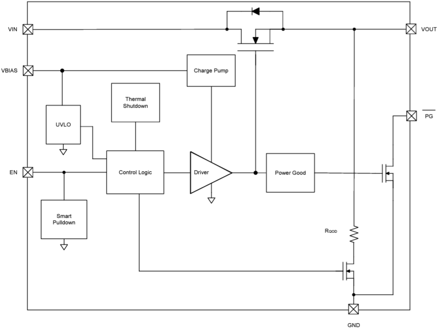
Le commutateur de charge à résistance à la marche TPS22999 Texas Instruments est un commutateur de charge monocanal conçu pour atteindre un temps d'activation rapide avec un faible courant d'appel. Ce commutateur de charge est doté d'un MOSFET à canal N qui fonctionne sur une plage de tension d'entrée de 0,1 V à VBIAS -1 V et prend en charge le courant continu maximum de 1,5 A. L'interrupteur de charge TPS22999 intègre un chemin de décharge de sortie rapide de 5,3 Ω lorsque l'interrupteur est éteint pour permettre un fonctionnement fiable du système. Ce commutateur de charge est doté d'un signal Power Good (PG) qui indique lorsque le MOSFET principal est correctement réglé sur le chemin de résistance le plus bas. Le commutateur de charge TPS22999 fonctionne dans la plage de températures d'air libre de -40 °C à +105 °C et est disponible dans un pas de 0,35 mm et un boîtier WCSP à 8 broches (YCH). Les applications typiques incluent les appareils portables, les disques SSD, les PC et ordinateurs portables, les PC industriels et les modules optiques.Caractéristiques
- Plage de tension d'exploitation d'entrée (VIN)
- Plage de tension de polarisation de 2,3 V à 5,5 V
- Courant continu maximum de 1,5 A
- Résistance à l'état passant de 7,5 mΩ (standard) (RON)
- Courant d'appel régulé
- Décharge de sortie rapide intégrée de 5,3 Ω
- Signal de bonne alimentation à drain ouvert (PG)
- < 200 μs à VIN = temps d'allumage de 1 V
- Arrêt thermique
- Verrouillage de sous-tension VPOLARISATION (UVLO)
- Basse consommation énergétique :
- 10 μA (standard) à l'état passant (IQ)
- 2,7 μA (standard) à l'état bloqué (ISD)
- Menu déroulant des broches Smart EN (RPD, EN) :
- 25 nA (standard) EN ≥ VIH (ION)
- 500 kΩ (standard) EN ≤ VIL (RPD,ON)
Applications
- Wearables
- Disque SSD (SSD)
- Ordinateurs de bureau et portables
- Ordinateur industriel
- Module optique
Schéma d'application standard
Schéma fonctionnel
Publié le: 2024-01-15
| Mis à jour le: 2024-02-05
