Texas Instruments Efuse 58 V 4,5 A TPS16530
L'eFuse 58 V 4,5 A TPS16530 de Texas Instruments est un eFuse positif facile à utiliser avec un FET intégré de 31 mΩ. La protection de la charge, de la source et de l'eFuse lui-même est fournie avec des caractéristiques réglables telles que la protection précise contre les surintensités, la protection rapide contre les courts-circuits, le contrôle de la vitesse de balayage en sortie et le verrouillage de sous-tension. PGOOD peut être utilisé pour activer et désactiver le contrôle des convertisseurs CC-CC en aval.La broche d'activation fournit un contrôle externe pour activer et désactiver le FET interne. La broche d'arrêt peut être utilisée pour mettre le dispositif en mode arrêt à faible puissance. Pour la surveillance de l'état du système et le contrôle de charge en aval, le dispositif fournit une sortie de surveillance de courant précise et de défaillance. La broche MODE permet de configurer le dispositif entre les deux réponses de défaillance limitant le courant (verrouillage désactivé et réessayage automatique).
Le TPS16530 Texas Instruments est disponible en boîtiers HTSSOP à 20 broches et VQFN à 24 broches et est spécifié pour une plage de température comprise entre -40°C et +125°C.
Caractéristiques
- Tension de fonctionnement de 4,5 V à 58 V, maximum absolue de 67 V
- FET permutable à chaud intégré de 58 V et 31 mΩ RON
- Limite de courant réglable de 0,6 A à 4,5 A (±7 %)
- Dégagement IPC9592B pour un fonctionnement à 56 V (HTSSOP à 20 broches)
- 2 prises en charge du courant Pulse pour les transitoires de charge
- Faible courant de repos, 21 µA à l'arrêt
- Coupure UVLO réglable avec ±2 % de précision
- Contrôle réglable de la vitesse de balayage en sortie pour limiter le courant d'appel
- Charge importante et charges capacitives inconnues via une régulation thermique pendant la mise sous tension du dispositif
- Sortie de bonne alimentation (PGOOD)
- Options de réponse aux défaillances de surintensité sélectionnable entre le réessayage automatique et le verrouillage (MODE)
- Sortie du moniteur de courant analogique (IMON) (±6 %)
- Disponible en boîtiers HTSSOP 20 broches et VQFN 24 broches faciles à utiliser
Applications
- Protection d'amplificateur de puissance dans les radios télécoms
- Équipements médicaux
- Panneaux de commande d'alarme incendie
- Imprimantes industrielles
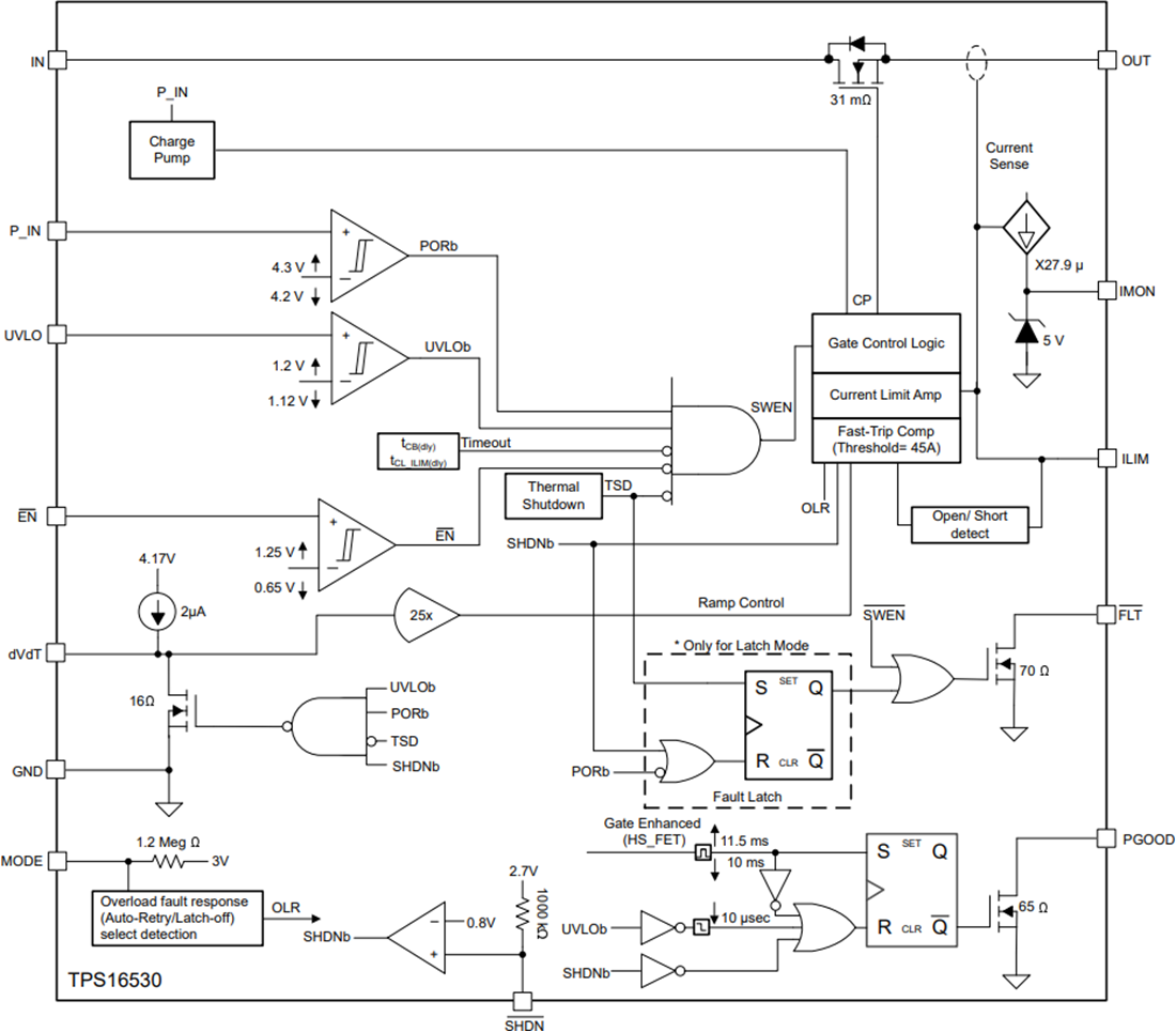
Diagramme fonctionnel
Publié le: 2021-09-01
| Mis à jour le: 2022-03-11
