Texas Instruments Contrôleurs de commutateur côté haut pour automobiles TPS1214-Q1
Les contrôleurs de commutateurs côté haut Automobile Texas Instruments TPS1214-Q1 sont une famille de pilotes côté haut intelligents à faibleQI avec protection, mode faible puissance réveil de charge, I2t et diagnostics. Ces contrôleurs incluent une plage d'entrée de 3,5 V à 73 V et une valeur nominale maximale absolue de 74 V adaptée aux conceptions des systèmes automobiles 12 V, 24 V et 48 V. Les contrôleurs de commutation TPS1214-Q1 présentent des commandes de grille doubles intégrées avec source de 0,5 A source et dissipateur (GATE) de 2 A et source de 100 μA et dissipateur (G) de 0,39 A. Ces contrôleurs incluent une sortie de détection de courant d'une précision de ±2 % (IMON) avec I2t réglable basé sur la protection contre les courts-circuits et les surtensions.. Les dispositifs TPS1214-Q1 sont qualifiés AEC-Q100 pour les applications automobiles. Ces contrôleurs sont disponibles dans un boîtier VQFN de 23 broches de 4 mm x 4 mm. Les applications typiques comprennent un boîtier de distribution d'énergie, un module de mode de contrôle corporel, un convertisseur CC/CC et un système de gestion de batterie.Caractéristiques
- Homologué pour l'automobile AEC-Q100 pour la température de classe 1
- Plage de tension d'entrée de 3,5 V à 73 V (74 V maximum absolu)
- Protection contre les entrées inversées de -65 V
- TPS12141-Q1 avec FET ON inversé (-45 V)
- Pompe de charge intégrée de 12 V
- Faible IQ = 20 µA en mode faible puissance
- Faible courant d'arrêt de 1 µA (EN/UVLO = bas)
- Double commande de grille :
- Grille : source de 0,5 A et dissipateur de 2 A
- G : source de 100 μA et dissipateur de 0,39 A
- Protection précise contre les surintensités (IOC) I2t avec minuteur de disjoncteur réglable (I2t)
- Protection contre les courts-circuits précise et rapide de 5 µs
- Sortie de moniteur de courant analogique précis (±2 %) à VSNS = 30 mV (IMON)
- Détection de surtempérature (TMP) et sortie de surveillance (ITMPO) à base de NTC
- indication de défaut (FLT) pendant un défaut de court-circuit, I2t, UVLO pompe de charge
- TPS12142-Q1 (RPP éteint) et TPS12143-Q1 (RPP allumé) avec I2t désactivé
- Blocage de sous-tension (UVLO) précis et réglable
- Diagnostic du comparateur de court-circuit (SCP_TEST)
Applications
- Boîtier de distribution d'énergie
- Module de commande de carrosserie
- Convertisseur CC-CC
- Système de gestion de batterie
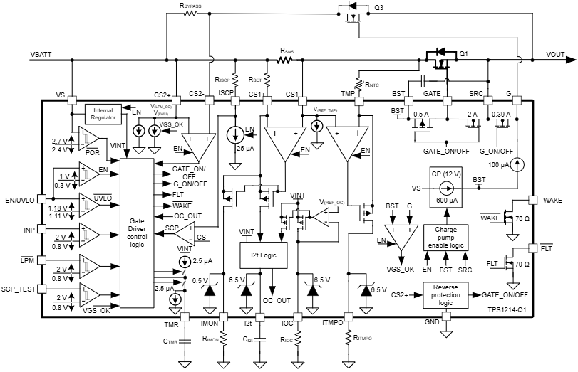
Schéma fonctionnel
Schéma du circuit d'application
Courbe configurable du courant en fonction du temps
Publié le: 2025-01-23
| Mis à jour le: 2025-04-14
