Texas Instruments Contrôleurs de commutateur côté haut automobiles TPS1212-Q1
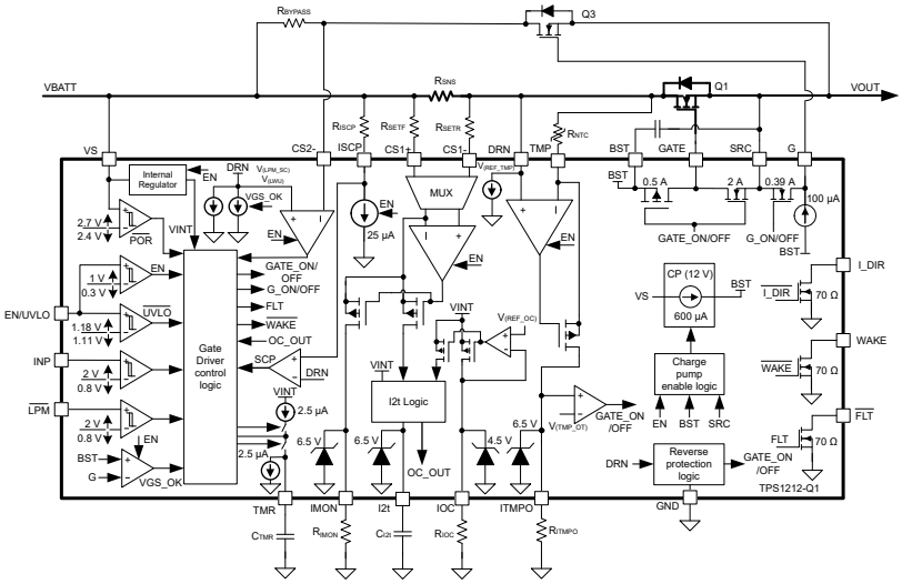
Les contrôleurs de commutateur côté haut automobiles TPS1212-Q1 de Texas Instruments font partie d'une famille de pilotes côté haut intelligents à faible IQ avec protection et diagnostics. Ces contrôleurs présentent une large plage de tension d'exploitation de 3,5 V à 73 V, 74 V maximum absolu, et conviennent aux conceptions de systèmes automobiles 12 V, 24 V et 48 V. Les contrôleurs TPS1212-Q1 contiennent deux moteurs de grille intégrés avec 0,5 A/2 A (grille) et 100 μA/0,39 A (G). Ces contrôleurs incluent une sortie de détection de courant précise (±2 %) (IMON) avec une protection contre les courts-circuits et les surintensités basée sur I2t réglable. Les dispositifs TPS1212-Q1 sont qualifiés AEC-Q100 pour les applications automobiles. Les applications typiques incluent les boîtes de distribution d'énergie, les modules de contrôle de carrosserie, les convertisseurs CC/CC et les systèmes de gestion de batterie.Caractéristiques
- Homologués pour l'automobile AEC-Q100 pour la température de classe 1
- Plage d'entrée de 3,5 V à 73 V (74 V maximum absolu)
- Protection de l'entrée et de la sortie inversée jusqu'à -65 V
- Pompe de charge intégrée de 12 V
- Faible IQ = 20 µA en mode faible puissance (LPM = faible)
- Faible courant d'arrêt de 1 µA (EN/UVLO = faible)
- Double commande de grille :
- Grille : 0,5 A src/2A dissipateur
- G : 100 μA src/0,39A dissipateur
- Protection précise contre les surintensités I2t (IOC) avec minuteur de disjoncteur réglable (I2t)
- Protection contre les courts-circuits précise et rapide (5 µs)
- Transition rapide (5 µs) du mode faible puissance au mode actif à l'aide d'un seuil de réveil de charge réglable ou d'un déclencheur LPM avec indication de RÉVEIL
- Sortie de moniteur de courant bidirectionnel analogique précis à 30 mV VSNS (IMON, I_DIR) ±2 %
- Sortie de détection et de surveillance de la surchauffe (TMP) basée sur une NTC (ITMPO)
- Indication de défaut (FLT) pendant un défaut de court-circuit, I2t, UVLO de pompe de charge et surchauffe
- TPS12120-Q1 (I2t activée) et TPS12121-Q1 (I2t désactivée)
- Verrouillage de sous-tension (UVLO) précis (±2 %) et réglable
Applications
- Boîtier de distribution d'énergie
- Module de commande de carrosserie
- Convertisseur CC-CC
- Système de gestion de batterie
Schémas du circuit d'application
Schéma fonctionnel
Publié le: 2025-07-03
| Mis à jour le: 2025-07-28
