Texas Instruments Pilote intelligent côté haut TPS1200-Q1
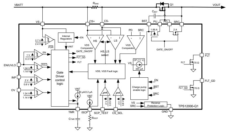
Le pilote intelligent côté haut TPS1200-Q1 de Texas Instruments est un dispositif à faible IQ de 45 V qui peut résister et protéger les charges des tensions d'alimentation négatives jusqu'à -40 V. Ce pilote comprend un pilote de grille (2 A) qui permet la commutation de puissance à l'aide de MOSFET parallèles dans les conceptions de systèmes à courant élevé. Le pilote TPS1200-Q1 est doté d'un courant d'arrêt de 1,5 µA (EN/UVLO = faible) et d'un diagnostic du comparateur de court-circuit interne grâce à un contrôle externe sur l'entrée SCP_TEST. Ce pilote dispose également d'un courant de repos de 43 µA (standard), permettant des conceptions de systèmes toujours activés. Le pilote TPS1200-Q1 est certifié AEC-Q100 pour les applications automobiles.Le pilote TPS1200-Q1 offre des fonctions de protection telles que le verrouillage de sous-tension d'entrée réglable (UVLO), la protection contre les surtensions (OV) et la protection contre les courts-circuits réglable. Ce pilote est disponible dans un boîtier VSSOP à 19 broches (5,1 mm x 3 mm). Le pilote TPS1200-Q1 est utilisé dans des applications telles que les BMS 12 V automobiles, les convertisseurs CC-CC et les outils électriques.
Caractéristiques
- Qualification automobile AEC-Q100 pour les applications automobiles :
- Classe 1 de température du dispositif : plage de température de fonctionnement ambiante de –40 °C à 125 °C
- Plage de tension d'entrée de 3,5 V à 40 V (45 V maximum absolu)
- Protection de l'entrée inversée jusqu'à -40 V
- Pompe de charge intégrée de 11 V
- Courant de repos faible, 43 µA en exploitation
- Courant d'arrêt de 1,5 µA (EN/UVLO = faible)
- Pilote de grille puissant (source et dissipateur 2 A)
- Protection contre les courts-circuits réglable (ISCP) à l'aide d'une résistance externe Rsense ou détection MOSFET VDS avec retard réglable (TMR)
- Configuration de la détection de courant côté haut ou côté bas (CS_SEL)
- Indication de défaut (FLT) en cas de défaut de court-circuit, de sous-tension d'entrée et de diagnostic du comparateur de court-circuit (SCP_TEST)
- Indication de défaut (FLT_GD) pour le pilotage de la grille UVLO
- Verrouillage de la sous-tension d'entrée réglable (UVLO) et protection contre la surtension (OV)
- Disponible dans un boîtier VSSOP à 19 broches (5,1 mm x 3 mm)
Applications
- BMS automobiles 12 V
- Convertisseurs CC-CC
- Outils électriques
Schéma fonctionnel
Circuit d'application avec alimentation externe au BST
Publié le: 2025-01-15
| Mis à jour le: 2025-03-09
