Texas Instruments Dispositif logique programmable automobile TPLD1201-Q1
Le dispositif logique programmable automobile TPLD1201-Q1 de Texas Instruments fait partie de la famille de dispositifs logiques programmables de TI (TPLD). Ce PLD comporte des CI de logique programmable polyvalents avec des blocs de logique combinatoire, de logique séquentielle et des blocs analogiques. Le dispositif TPLD1201-Q1 fonctionne dans une plage de tension d'alimentation de 1,71 V à 5,5 V et une plage de température étendue allant de -40 °C à 125 °C. Ce dispositif offre une solution entièrement intégrée et à faible puissance pour la mise en œuvre de fonctions système courantes, y compris les retards de synchronisation, les surveillances de tension, les réinitialisations système, les séquenceurs de puissance et les extensions d'E/S. Les outils de développement comprennent InterConnect Studio, un module d'évaluation et une carte de programmation TPLD. Les dispositifs TPLD1201-Q1 sont qualifiés AEC-Q100 pour les applications automobiles. Les applications typiques comprennent une automatisation d'usine et un contrôle, un équipement de communication, l'automatisation et le paiement du commerce de détail, les tests et mesures, l'audio, la vidéo professionnels et la signalétique, les appareils électroniques personnels et l'automobile.Caractéristiques
- Caractéristiques de fonctionnement :
- Plage de température étendue de -40 °C à 125 °C
- Large plage de tension d'alimentation allant de 1,71 V à 5,5 V
- Homologuée pour les applications automobiles
- Macrocellules configurables :
- Tableaux de conversion 2, 3 et 4 bits
- Verrous et bascules de type D avec et sans option de réinitialisation/d'initialisation
- Retard de tuyauterie de 8 bits
- Compteurs et générateur de retard
- Filtre programmable contre les parasites ou détecteur périphérique
- Comparateurs analogiques discrets
- Tension de référence
- Oscillateur
- E/S numériques flexibles :
- Tous les signaux numériques peuvent être acheminés vers n'importe quelle broche GPIO
- Modes d'entrée numérique : numérique avec et sans déclencheur Schmitt, et entrée numérique basse tension
- Modes de sortie numérique : push-pull, NMOS à drain ouvert et trois états
- Outils de développement :
- InterConnect Studio
- Module d'évaluation
- Carte de programmation TPLD
Applications
- Automatisation d'usine et contrôle
- Équipement de communications
- Automatisation et paiement du commerce de détail
- Test et mesure
- Audio, vidéo et signalétique pro
- Électronique personnelle
- Automobile
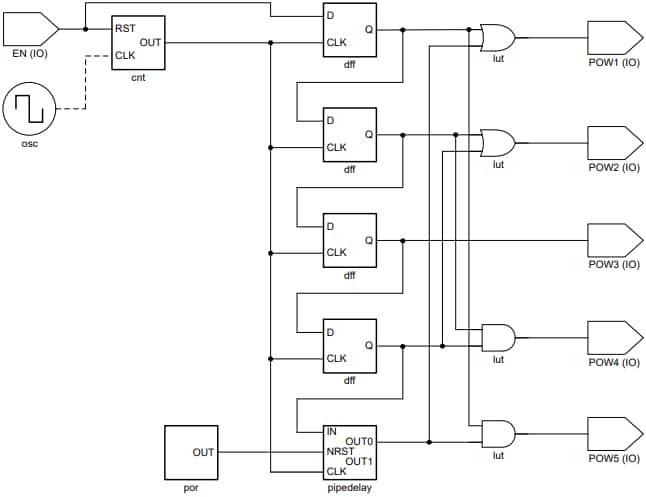
Schéma fonctionnel
Schéma d'application standard
Caractéristiques standard (TA = 25 °C)
Publié le: 2026-01-13
| Mis à jour le: 2026-01-29
