Texas Instruments CI de protection d'interface USB 2.0 TPD3S713x-Q1
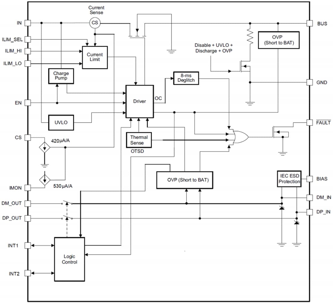
Le CI de protection d'interface USB 2.0 TPD3S713x-Q1 de Texas Instruments est une solution mono-puce pour la protection contre les courts-circuits vers la batterie, les courts-circuits et les DES. Ces dispositifs sont conçus pour les données à haute vitesse et les lignes d'alimentation dans un concentrateur USB automobile, une unité de tête, la télématique et des applications d'interface multimédia. Les commutateurs de données intégrés fournissent la meilleure largeur de bande de leur catégorie pour une dégradation de signal minimale pendant les événements de court-circuit USB vers batterie. La bande passante élevée de 1,2 GHz permet un schéma visuel propre de 480 Mbps à haut débit USB 2.0 Avec les longs câbles captifs courants dans l’environnement USB automobile.La protection contre les courts-circuits de batterie isole les circuits de système interne des conditions de surtension aux broches VBUS, DP _ IN et DM _ IN. Sur ces broches, le TPD3S713x-Q1 de Texas Instruments peut supporter des surtensions jusqu’à 18 V pour des événements CC et de branchement à chaud et désactiver les commutateurs internes vers l’émetteur-récepteur en amont des pics néfastes de tension et de courant. La broche VBUS fournit également un commutateur réglable de charge à courant limité de 50 à 600 mA, ce qui offre de la flexibilité en économisant le budget énergétique de système lorsque l'accès ne nécessite que plusieurs dizaines de milliampères.
Le dispositif TPD3S713-Q1 dispose d’une sortie de détection de courant pouvant contrôler une alimentation électrique en amont, ce qui lui permet de maintenir 5 V à l'accès USB à distance connecté après de longs câbles USB.
Caractéristiques
- Homologué AEC-Q100 pour les applications automobiles
- Température de dispositif de classe 1 (plage de température de fonctionnement ambiante de -40° C à +125° C)
- Niveau H2 de classification des dispositifs HBM ESD
- Niveau C5 de classification d’appareil contre les DES selon le modèle CDM
- Protection contre les courts-circuits de batterie (jusqu’à 18 V) et contre les courts-circuits à la terre sur la broche VBUS
- Protection contre les courts-circuits de batterie (jusqu’à 18 V) et contre les courts-circuits vers VBUS sur les broches DM _ IN et DP _ IN
- Classé DP_IN et DM_IN CEI 61000-4-2
- Décharge par contact ±8 kV et dans l'air ±15 kV
- Commutateurs de données haute vitesse (largeur de bande 1 230 MHz)
- Plage de fonctionnement d'entrée de 4,5 V à 5,5 V
- Limite du courant réglable de 50 mA à 600 mA (±13,5 % à 200 mA)
- MOSFET côté haut intégré de 73 mΩ (standard)
- Courant permanent maximal de sortie de 500 mA
- Compensation de câble de VBUS
- Boîtier QFN (3 x 4 mm) à 20 broches
Applications
- Interface USB automobile
- Unité principale
- Télématique
- Module de navigation
- Ports de chargement USB pour automobile
- Interface multimédia
Schéma fonctionnel
