Texas Instruments Amplificateur de classe D à entrée analogique HD mono TPA3223
L'amplificateur de classe D à entrée analogique HD mono TPA3223 de Texas Instruments fournit un fonctionnement efficace à pleine puissance, inactif et en veille. Le TPA3223 dispose d'une rétroaction en boucle fermée permettant une faible distorsion à travers la bande audio et fournissant une excellente qualité sonore. Le TPA3223 fonctionne en modulation AD et moteurs jusqu'à 2 x 200 W en 4Ω charges ou 1 x 400 W en 2Ω charges.L'amplificateur de classe D TPA3223 de TI fournit une interface d'entrée analogique asymétrique ou différentielle qui prend en charge jusqu'à 2 VRMS avec quatre gains sélectionnables de 20 dB, 23,5 dB, 32 dB et 36 dB. Le TPA3223 atteint un rendement >90 %, un faible niveau d'inactivité et une puissance de veille ultra faible (<0,1 W). Ces caractéristiques sont possibles à l'aide de MOSFET de 60 mΩ, d'un schéma de commande de grille optimisé et de modes de fonctionnement à faible puissance.
Le TPA3223 intègre des caractéristiques de protection essentielles, notamment la sous-tension, la surtension, la limite de courant cycle par cycle, le court-circuit, la détection de crête, l'alarme de surchauffe et l'arrêt et la protection des haut-parleurs CC.
Caractéristiques
- Large plage de tension d'alimentation : de 10 V à 42 V
- Configurations stéréo (2 x BTL) et mono (1 x PBTL)
- Puissance de sortie 10 % THD+N
- Stéréo 200 W en 4 Ω en configuration BTL
- Mono 300 W en 3 Ω en configuration PBTL
- Mono 425 W en 2 Ω en configuration PBTL
- Puissance de sortie à 1 % THD+N :
- Stéréo 170 W en 4 Ω en configuration BTL
- Mono 325 W en 2 Ω en configuration PBTL
- Conception de rétroaction en boucle fermée
- THD+N < 0,02 % à 1 W en 4 Ω
- PSRR 60 dB (BTL, pas de signal d'entrée)
- Bruit de sortie (pondéré A) <100 µV
- >110 dB SNR (pondéré A)
- Modes de fonctionnement faible puissance :
- Modes veille mute et d'arrêt
- Fonctionnement BTL monocanal
- Plusieurs options d'entrée pour simplifier la conception de pré-amplificateur
- Entrées analogiques différentielles ou asymétriques
- Gains sélectionnables de 20 dB, 23,5 dB, 32 dB et 36 dB
- Les protections intégrées comprennent la sous-tension, la surtension, la surintensité, la limite de courant cycle par cycle, le court-circuit, la détection de crête, l'alarme de surchauffe et l'arrêt et la protection des haut-parleurs CC
- Synchronisez facilement plusieurs appareils
- Fonctionnement de classe D efficace de 90 % (4 Ω)
Applications
- Haut-parleurs BLUETOOTH® et Wi-Fi™
- Barres de son
- Caissons de basses
- Haut-parleurs professionnels et d'adresse publique (PA)
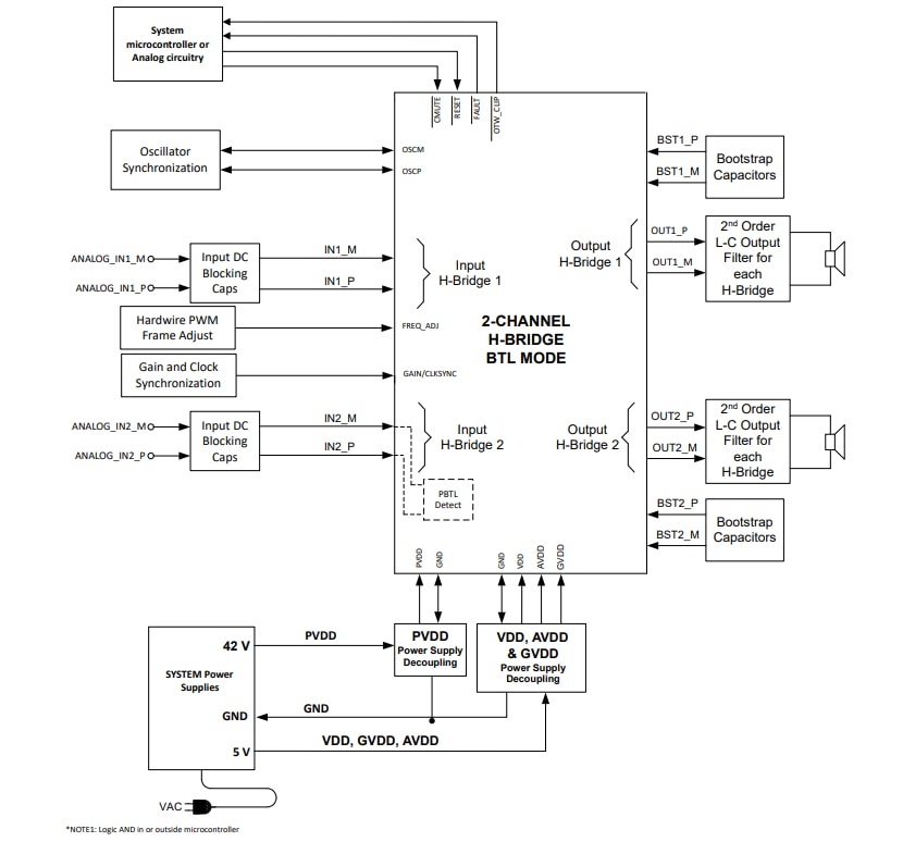
Schéma simplifié
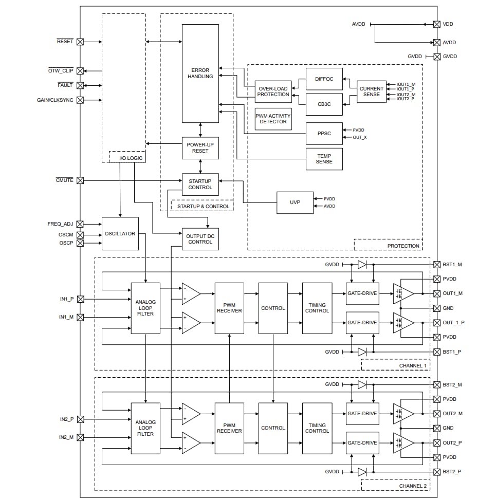
Schéma fonctionnel
Schéma de principe du système
