Texas Instruments Module d'évaluation (EVM) TMP1827EVM
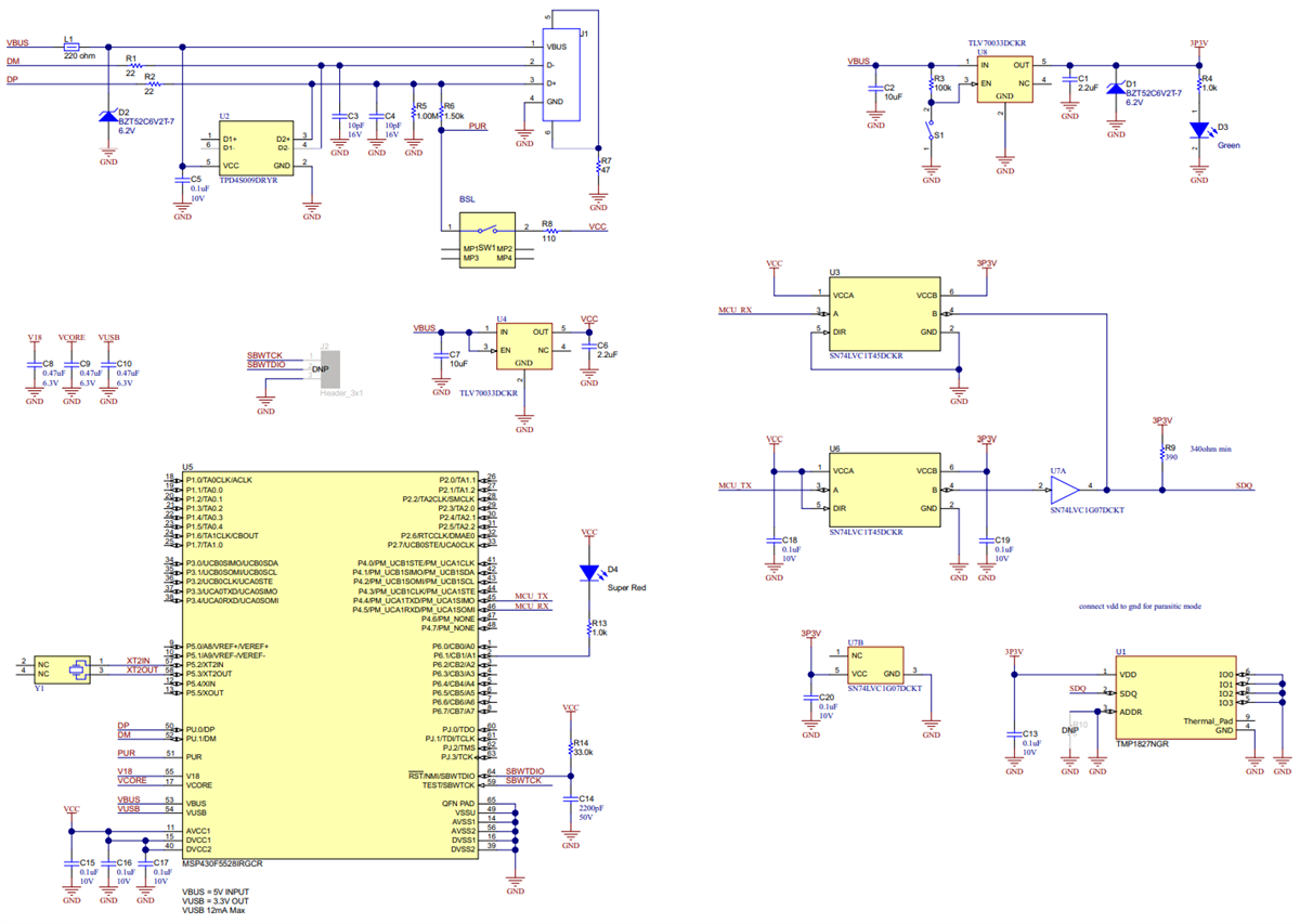
Le module d'évaluation (EVM) TMP1827EVM de Texas Instruments est conçu pour évaluer le capteur de température TMP1827. Ce TMP1827 est un capteur de température à sortie numérique compatible un seul fil, de haute précision, avec un algorithme de hachage sécurisé (SHA) intégré. Le capteur TMP1827 offre une haute précision de ±0,3°C sur la plage de température de -55°C à 150°C. Le module d'évaluation TMP1827EVM se présente sous la forme d'une clé USB, avec un microcontrôleur MSP430F5528 intégré qui s'interface avec l'ordinateur hôte et le composant TMP1827 à l'aide d'une interface à un seul fil. Ce module est conçu avec des perforations entre le capteur et le contrôleur hôte sur la carte d'évaluation.Caractéristiques
- Évalue le capteur de température TMP1827
- Facteur de forme : clé USB
- Intègre un microcontrôleur MSP430F5528
- Perforation entre la carte contrôleur USB et la carte de capteur TMP1827
Schéma
Publié le: 2023-02-09
| Mis à jour le: 2023-10-30
