Texas Instruments Réadaptateur hybride 12 Gbit/s TMDS1204
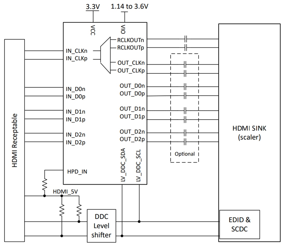
Le TMDS1204 est de Texas Instruments est un réadaptateur HDMI 2.1 12 Gbit/s prenant en charge des débits de données jusqu'à 12 Gbit/s. Il est rétrocompatible avec HDMI 1.4b et HDMI 2.0b. Les entrées et sorties différentielles à haut débit peuvent être couplées CC ou CA. Cette caractéristique qualifie le TMDS1204 pour une utilisation comme redresseur de niveau DP++ vers HDMI ou réadaptateur HDMI. Le TMDS1204 peut prendre en charge un FRL HDMI 2.1 à 3 et 4 voies à 3, 6, 8, 10 et 12 Gbit/s.Le TMDS1204 est un réadaptateur hybride prenant en charge les applications de source et de dissipateur. Un réadaptateur hybride peut fonctionner dans une fonction de réadaptateur limitée ou linéaire. Lorsque le TMDS1204 est configuré comme un réadaptateur limité, les niveaux de tension de sortie différentielle du TDP0604 sont indépendants des niveaux de sortie de l'unité de processus graphique (GPU) assurant des niveaux conformes HDMI au niveau du connecteur femelle. Le mode réadaptateur limité est recommandé pour les applications de source HDMI. Lorsque le TMDS1204 est configuré comme un réadaptateur linéaire, les niveaux de sortie différentiels sont une fonction linéaire des niveaux de sortie GPU. Cette caractéristique permet au TMDS1204 d'être transparent à la formation de liens et de fonctionner comme un raccourcisseur de canal. Le mode réadaptateur linéaire est recommandé pour les applications de dissipation HDMI.
Le TMDS1204 de Texas Instruments dispose d'un convertisseur de niveau HPD intégré. Le décalage de niveau HPD basculera le signal HPD 5 V à 1,8 V ou 3,3 V. La sortie du convertisseur de niveau peut également être configurée pour drain ouvert, push ou pull. L'intégration du convertisseur de niveau élimine les solutions discrètes et réduit les coûts du système. Le TMDS1204 prend en charge des rails d'alimentation électrique simples de 3,3 V sur VCC. Il est proposé en température commerciale (TMDS1204) et en température industrielle (TMDS1204I).
Caractéristiques
- Entrée et sortie à couplage CA ou CC prenant en charge les débits de données HDMI 2.1 jusqu'à 12 Gbit/s
- Compatibilité descendante avec HDMI 1.4b et HDMI 2.0b
- Liaison à débit fixe (FRL) HDMI 2.1 de 3, 6, 8, 10 et 12 Gbit/s
- Prend en charge le FRL à trois et quatre voies HDMI 2.1
- Optimisé pour les applications de dissipateur HDMI
- Égaliseur adaptatif et fixe jusqu'à 12 dB à 6 GHz
- Programmable par I2C ou par barrette de broche
- Décalage de niveau HPD intégré prenant en charge les niveaux LVCMOS 1,8 V et 3,3 V
- Échange de voie complet sur les voies principales
- Tampon de sortie de ventilateur intégré pour les applications qui nécessitent des chemins d'horloge et de données séparés
- Indicateur de sortie de détection de signal
- Fonction signaux de commande d'affichage numérique (DDC) pour la configuration de liaison
- Faible consommation d'énergie
- Quatre voies actives limitées FRL 12G : 575 mW
- Quatre voies linéaires actives FRL 12G : 220 mW
- Mise à l'arrêt 0,6 mW
- Disponible en température commerciale et industrielle
- Mono-alimentation de 3,3 V
- Boîtier WQFN 40 broches, pas de 0,4 mm, 4 mm × 6 mm
Applications
- Ordinateurs de bureau et notebooks
- Télévision
- Home-cinéma et divertissement
- Systèmes de jeu
- Stations d'accueil
- Audio, vidéo et signalétique pro
Schéma simplifié
