Texas Instruments Modules de puissance à double/simple sortie TLVM1440x
Les modules de puissance à double/simple sortie TLVM1440x Texas Instruments sont des modules CC-CC hautement intégrés, compatibles avec l'entrée de 36 V, qui combinent des MOSFET de puissance, une inductance blindée et des passives dans un boîtier QFN HotRod™ amélioré. Le dispositif prend en charge une sortie double ou une sortie unique à courant élevé en utilisant une architecture de contrôle de mode de courant entrelacée et empilable pour une compensation de boucle facile, une réponse transitoire rapide, une excellente régulation de la charge et de la ligne. Le module possède des broches VIN et VOUT aux angles du boîtier pour optimiser le placement des condensateurs d'entrée et de sortie. Une grande plaque thermique sous le module permet une disposition simple et une manipulation de fabrication aisée.Avec une tension de sortie de 1 V à 9 V, le TLVM1440x Texas Instruments est conçu pour mettre en œuvre rapidement et facilement une conception à faible EMI dans une petite empreinte de PCB. La conception totale ne nécessite que six composants externes et élimine la sélection des magnétiques du processus de conception.
Bien qu'ils soient conçus pour une taille réduite et une simplicité d'utilisation dans les applications à espace limité, les modules TLVM1440x offrent de nombreuses caractéristiques pour des performances robustes : validation de précision avec hystérésis pour une tension d'entrée UVLO réglable, ainsi que VCC, bootstrap et condensateurs d'entrée intégrés pour une fiabilité et une densité accrues. Ces modules sont configurés pour commuter automatiquement entre une fréquence de commutation constante (FPWM) pour les charges élevées et une fréquence variable (PFM) pour une meilleure efficacité à faible charge. Ils comprennent également un indicateur PGOOD pour le séquençage, la protection contre les défauts et la surveillance de la tension de sortie.
Caractéristiques
- Module polyvalent à double sortie en tension ou à simple sortie en boucle synchrone
- MOSFET, inducteur et contrôleur intégrés
- Large plage de tension d'entrée de 3 V à 36 V
- Tension de sortie réglable de 0,8 V à 9 V
- Boîtier surmoulé de 6,5 mm × 7,0 mm × 2 mm
- Plage de température de jonction de -40 °C à 125 °C
- Rendement très élevé sur toute la plage de charge
- Efficacité maximale de 93,5 %
- Option de polarisation externe pour une efficacité améliorée
- Plaquette exposée pour une faible impédance thermique. EVMθJA = 20 °C/W.
- Courant de repos à l'arrêt de 0,6 µA (std)
- EMI conduites et rayonnées ultra-faibles
- Boîtier à faible bruit avec voies d'entrée doubles et condensateurs intégrés réduisant la sonnerie du commutateur
- Satisfait les émissions CISPR 11 et 32 classe B
- Caractéristiques de protection intrinsèques pour une conception robuste
- Entrée d’activation de précision et indicateur PGOOD à drain ouvert pour le séquençage, le contrôle et VIN UVLO
- Protections contre les surintensités et les arrêts thermiques
Applications
- Test et mesure, aérospatiale et défense
- Automatisation et contrôle des usines
- Alimentations en boucle
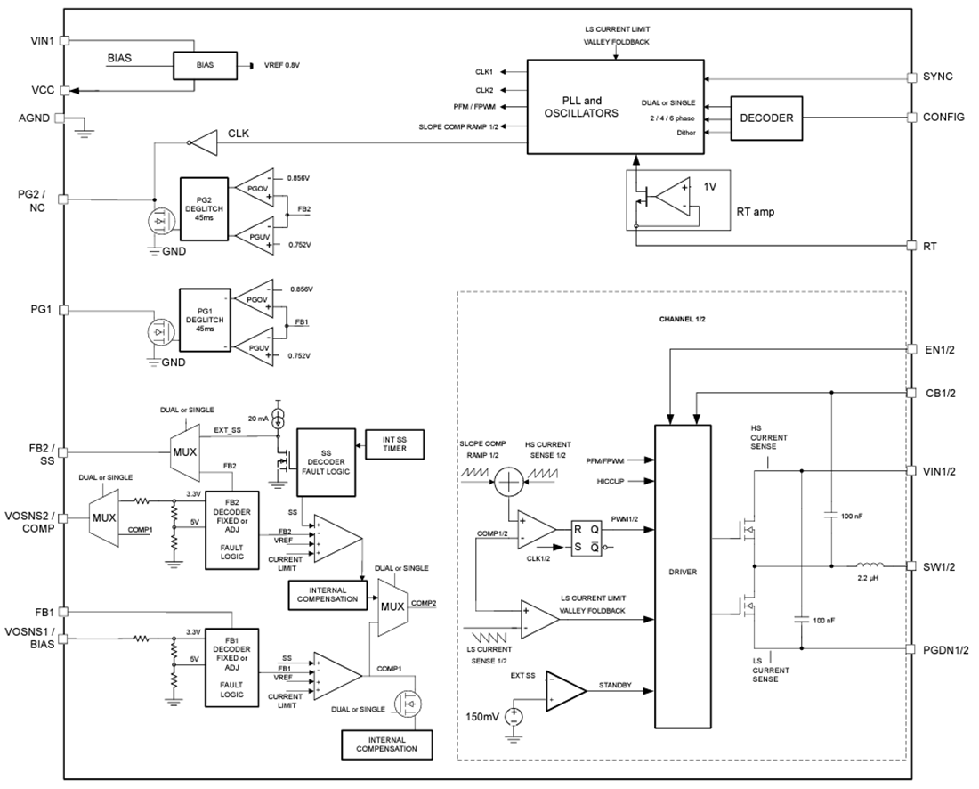
Schéma fonctionnel
