Texas Instruments Régulateurs linéaires à faible chute (LDO) TLV774
Les régulateurs linéaires à faible chute de tension (LDO) TLV774 de Texas Instruments sont conçus pour fournir une source de tension avec un PSRR élevé. Ces petits régulateurs offrent des performances transitoires de charge et de ligne qui répondent aux exigences de divers circuits. Les régulateurs linéaires LDO TLV774 fournissent 300 mA de courant de sortie. Ces régulateurs fonctionnent avec un condensateur d'entrée unique de 1 μF et un condensateur de sortie céramique de 1 μF. Les régulateurs linéaires LDO TLV774 disposent d'un circuit de démarrage progressif interne pour éliminer le courant d'appel, d'une limite du courant de repli et d'une résistance de rappel vers le bas de sortie active. Ces régulateurs sont disponibles dans un boîtier X2SON (DQN) standard de 1 mm x 1 mm. Les régulateurs linéaires LDO TLV774 sont utilisés dans des applications telles que les tablettes, les consoles de jeux, les smartphones, les ordinateurs portables, les modules d'appareil photo et les décodeurs.Caractéristiques
- PSRR élevé de 60 dB (1 kHz) et 45 dB (1 MHz)
- Précision de la tension de sortie de 2 %
- Limite du courant de repli
- Résistance de rappel vers le bas de sortie active
- Faible tension de relâchement maximale de 310 mV à 300 mA (1,2 VOUT) en cas de surchauffe
- Plage VIN de 1,4 V à 5,5 V
- Boîtier X2SON (DQN) à 4 broches, 1 mm x 1 mm
Applications
- Smartphones
- Tablettes
- Consoles de jeux
- Ordinateurs portables
- Boîtiers adaptateurs
- Modules pour caméras
- Lecteurs multimédia de streaming
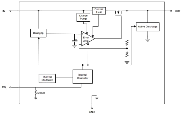
Schéma fonctionnel
Schéma du circuit d'application
Publié le: 2025-01-20
| Mis à jour le: 2025-04-09
