Texas Instruments Comparateurs différentiels simples TLV1391
Les comparateurs différentiels simples TLV1391 de Texas Instruments sont construits à l'aide d'un processus bipolaire basse tension et haute vitesse de Texas Instruments. Ces dispositifs ont été développés spécifiquement pour des applications à faible tension et à alimentation unique. Les performances améliorées de ces dispositifs en font un excellent remplacement pour le LM393 dans les conceptions améliorées des systèmes 3 V et 5 V. Le TLV1391 de Texas Instruments, avec son courant d'alimentation standard de seulement 80 µA, est idéal pour les systèmes à faible puissance. Le temps de réponse a également été amélioré à 0,7 µs.Caractéristiques
- Exploitation à basse tension et alimentation unique de VCC = 2 V à 7 V
- La plage de tension en mode commun inclut la mise à la terre
- Temps de réponse rapide de 0,7 µs (std)
- Courant d'alimentation faible de 80 µA (std) et 150 µA (max.)
- Entièrement spécifié aux tensions d'alimentation de 3 V et 5 V
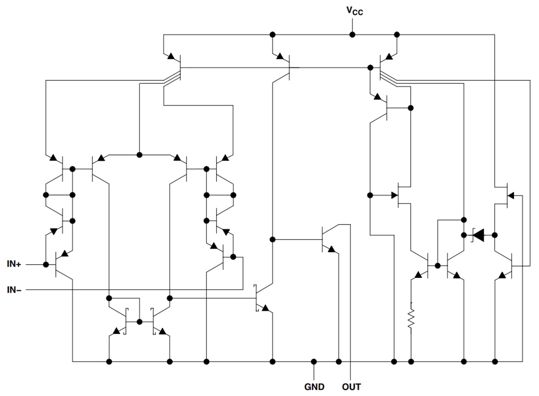
Schéma
Publié le: 2024-12-04
| Mis à jour le: 2024-12-12
