Texas Instruments SBC LIN automobiles TLIN1431x-Q1
Les SBC LIN automobiles TLIN1431x-Q1 de Texas Instruments sont des puces de base de système (SBC) de réseau local d'interconnexion (LIN) qui intègrent un watchdog, un commutateur côté haut, une capacité de fonctionnement en mode dégradé (limp-home) et une broche d'entrée de réveil hautement configurable. Le TLIN1431x-Q1 détermine automatiquement la méthode de contrôle, la broche ou l'interface périphérique série (SPI), à la mise sous tension. Le watchdog passe par défaut à un watchdog fenêtré pour les deux méthodes de contrôle. Pour plus de flexibilité, le TLIN1431x-Q1 de TI peut être configuré comme un watchdog fenêtré ou de temporisation avec plus de 20 fenêtres temporelles différentes lorsque le contrôle SPI est utilisé. L'émetteur-récepteur LIN offre un mode rapide de 200 kbit/s pour la programmation en fin de ligne. Un commutateur côté haut avec capacité de diagnostic est inclus pour les LED embarquées. La broche de réveil hautement configurable est capable d'être utilisée avec le commutateur côté haut pour la détection cyclique, réduisant le courant de veille de l'ECU. La broche WKRQ/INH peut être configurée pour une sortie de réveil numérique (WKRQ) ou une broche d'activation d'inhibition basée sur VSUP (INH) pour une alimentation externe.Caractéristiques
- AEC-Q100 (niveau 1) : qualifié pour les applications automobiles
- Compatible avec la sécurité fonctionnelle
- Documentation disponible pour aider à la conception de systèmes de sécurité fonctionnels
- Fonctionnalités améliorées prenant en charge les applications 12 V
- Protection contre les défauts du bus LIN ±58 V
- Sortie LDO 3,3 V (TLIN14313-Q1) ou 5 V (TLIN14315-Q1) prenant en charge 125 mA à partir d'une alimentation 12 V
- Commutateur côté haut avec détection de charge ouverte et de court-circuit contrôlée par MLI ou minuteur 10 bits
- Broche LIMP configurable comme commutateur côté haut
- Broche de réveil configurable prenant en charge différents seuils ou méthodes d'entrée
- Le mode veille avec ultra faible consommation de courant permet d'activer les événements de réveil de :
- Bus LIN
- Sortie de veille locale via WAKE
- Détection cyclique et statique
- Spécification de couche physique du réseau local d'interconnexion (LIN) conforme aux normes LIN 2.2A, ISO 17987–4:2016 et SAE J2602:2021
- Superviseur de watchdog intégré configurable par broche ou interface périphérique série, SPI
- Caractéristiques de protection :
- Protection DES
- Protection contre la sous-tension sur VSUP et VCC
- Protection contre le temps mort dominant (DTO) de TXD
- Protection contre les arrêts thermiques
- Surveillance de tension de batterie / pile intégrée
- Disponible en boîtier QFN (20) sans plomb avec une capacité d'inspection optique automatique (AOI) améliorée.
Applications
- Éclairage et électronique de la carrosserie
- Systèmes hybrides, électriques et groupes motopropulseurs
- Info-divertissement et groupe
- Électroménager
Schéma simplifié de contrôle SPI
Schéma simplifié de contrôle des broches
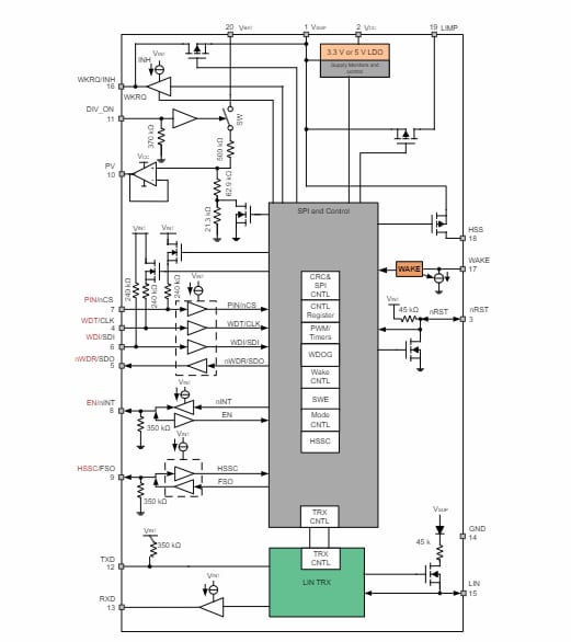
Schéma fonctionnel de haut niveau
Publié le: 2023-01-20
| Mis à jour le: 2023-03-17
