Texas Instruments TLC6C5816-Q1 Automotive 16-Bit LED Drivers
Texas Instruments TLC6C5816-Q1 Automotive Power Logic 16-Bit Shift Register LED Drivers are designed to support automotive LED applications. The TLC6C5816-Q1 implements a flexible LED diagnostics function. The output channels can be configured with LED diagnostics features or without LED diagnostics features by writing to the registers. The device offers a built-in LED open and LED short diagnostic mechanism that provides enhanced safety protection. The device provides 16 channels, 8 of which support LED fault diagnostics by configuring corresponding registers. The device can drive 16 channels without diagnostics or 8 channels with diagnostics. The TLC6C5816-Q1 provides a cyclic redundancy check to verify register values in the shift registers. The device provides 6 bits of the CRC remainder in read-back mode. The MCU reads back the CRC remainder and reinspects if the remainder is correct to determine whether the communication loop between MCU and the device is acceptable. The TLC6C5816-Q1 devices are AEC-Q100 qualified for automotive applications.Features
- Qualified for automotive applications
- AEC-Q100 Qualified with the following results:
- –40°C to 125°C Ambient operating temperature range Device temperature grade 1
- Device HBM ESD classification level H3A
- Device CDM ESD classification level C6
- 16 Channels with power DMOS transistor outputs
- Open-drain outputs up to 50mA per channel
- 45V Output voltage maximum rating
- Optimized slew rate for reducing EMI
- Serial interface and PWM inputs
- Shift register compatible with TPIC6C596, TLC6C598-Q1, TLC6C5912-Q1
- LED Status read-back
- 2 PWM Inputs for group dimming
- Diagnostics and protection
- Configurable LED open and short diagnostics
- Overtemperature protection
- Serial-interface communication-error detection
- Open-drain error feedback
Applications
- Automotive instrument clusters
- Automotive HVAC control panels
- Automotive interior faceplate
- Automotive E-Shifter indicators
- Automotive center stacks
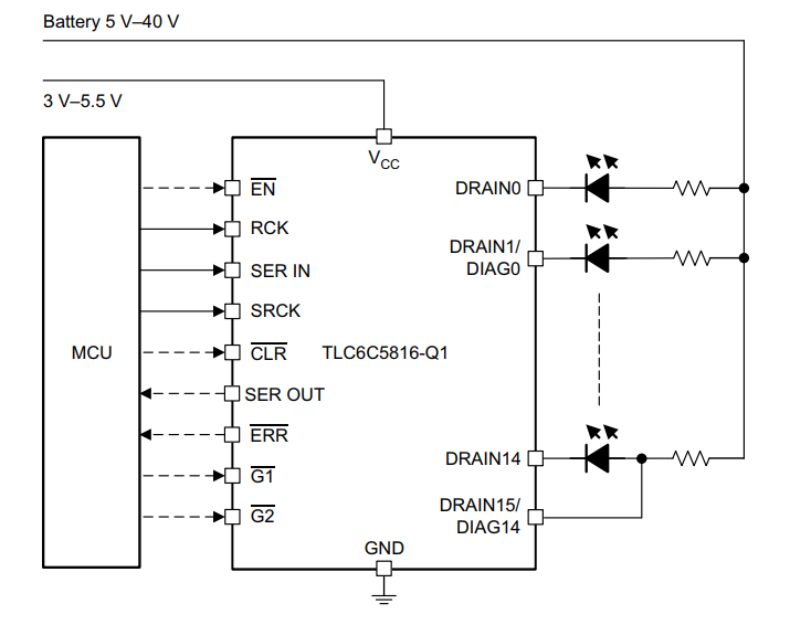
Schematic
Publié le: 2018-11-15
| Mis à jour le: 2025-03-06
