Texas Instruments Pilote à décalage de phase 8 bits TLC6A598
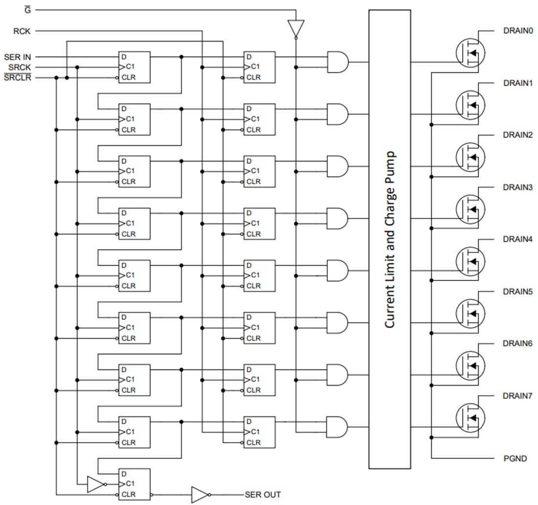
Le pilote à décalage de phase 8 bits TLC6A598 de Texas Instruments est un registre à décalage de 8 bits monolithique à haute tension et courant élevé conçu pour être utilisé dans les systèmes qui nécessitent une puissance de charge relativement élevée comme les LED. Le dispositif contient un serre-câbles intégré sur les sorties pour une protection transitoire inductive. Les applications de pilote de puissance comprennent les relais, les solénoïdes et d'autres charges à courant élevé ou tension élevée. Chaque transistor DMOS à drain ouvert est doté d'un circuit de limitation de courant de hachage indépendant pour éviter tout dommage en cas de court-circuit.Ce périphérique contient un registre à décalage à entrée série et sortie parallèle 8 bits qui alimente un registre de stockage de type D 8 bits. Les sorties sont des transistors DMOS à drain ouvert côté bas avec des capacités de sortie de 50 V et 350 mA de courant de dissipation continu. Un mécanisme de diagnostic de charge ouverte ou de court-circuit de charge intégré fournit une protection de sécurité améliorée. Le périphérique offre une vérification de redondance de cycle pour vérifier les valeurs de registre dans les registres de décalage. En mode lecture, le composant fournit 6 bits du reste de la CRC. Le MCU peut lire le reste du CRC et vérifier si le reste est correct pour déterminer si la boucle de communication entre le MCU et le dispositif est bonne.
La caractérisation TLC6A598 de Texas Instruments est destinée au fonctionnement sur la plage de température ambiante de fonctionnement de -55 °C à 125 °C.
Caractéristiques
- Haute fiabilité et robustesse pour les applications avioniques
- Température ambiante de fonctionnement de –55 ºC à +125 ºC
- Large VCC de 3 V à 5,5 V
- Huit canaux de sortie de transistor DMOS de puissance
- Courant continu de 350 mA
- Capacité de limite de courant de 1,1 A
- Tension de limitation de sortie, 50 V
- Faible Rds(on), 1 Ω (standard)
- Énergie d'avalanche, 90 mJ (maximum)
- Protection
- Protection contre les surintensités
- Détection de charge ouverte et courte
- Détection d'erreur de communication d'interface série
- Protection par arrêt thermique
- Mise en cascade améliorée pour étapes multiples
- Tous les registres vidés avec une seule entrée
- Vérification de redondance cyclique (CRC)
- Faible consommation électrique
- Boîtier DW SOIC à 24 broches
Applications
- Système de contrôle de vol
- Indicateur de contrôle et de fonction PLC
- Grappes d'instruments
- Pilotes de relais ou de solénoïdes
- Panneau d'affichage de l'appareil
- Indication et éclairage LED
Schéma de principe fonctionnel
