Texas Instruments Pilote d'affichage à LED et matrice 48x16 TLC6984
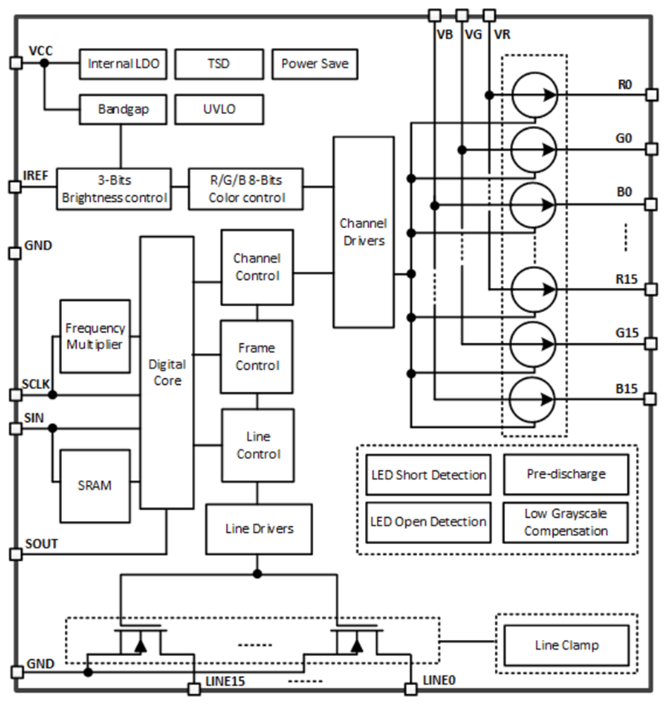
Le pilote d'affichage à LED et matrice 48x16 TLC6984 de Texas Instruments est un pilote d'affichage à LED et matrice à cathode commune hautement intégrée avec 48 sources de courant continu et 16 FET de lecture. En plus de piloter des pixels LED RVB 16 × 16 et 32 × 32 en tant que TLC6983, trois TLC6984 sont capables de piloter des pixels LED RVB 48 × 48 et quatre TLC6984 empilés peuvent piloter des pixels LED RVB 64 × 64. Le composant prend en charge des alimentations électriques séparées pour les LED rouges, vertes et bleues grâce à sa structure de cathode commune afin d'obtenir une faible consommation d'énergie. De plus, la puissance de fonctionnement du TLC6984 est considérablement réduite par une plage de tension de fonctionnement ultra-faible (V CC jusqu'à 2,5 V) et un courant de fonctionnement ultra-faible (I CC jusqu'à 3,6 mA).Le TLC6984 de Texas Instruments implémente une interface de transmission à double bord haute vitesse pour prendre en charge un nombre élevé de composants connectés en guirlande et un taux de rafraîchissement élevé tout en minimisant les interférences électromagnétiques (EMI). Le composant prend en charge SCLK jusqu'à 25 MHz (externe) et GCLK 40 MHz à 160 MHz (valeurs internes typiques) avec différents modes et fréquences de multiplicateur GCLK. Pendant ce temps, le composant intègre des circuits améliorés et des algorithmes intelligents pour résoudre les différents défis d'affichage dans les applications d'affichage LED à pas de pixel étroit (NPP) et les produits mini et micro-LED. Ces challenges peuvent faiblir au niveau de la première ligne d’acquisition, des images fantômes vers le haut et vers le bas, de la non-uniformité dans les niveaux de gris bas, de l'accouplement et de la chenille causés par des LED ouvertes ou courtes, ce qui fait du TLC6984 un choix parfait pour de telles applications.
Le TLC6984 implémente également les détections d'ouverture, de court-circuit faible et de court-circuit des LED et les suppressions pendant les opérations et peut également signaler ces informations au processeur numérique qui l'accompagne.
Caractéristiques
- Alimentation séparée VCC et VR/V/B
- Plage de tension enCC de 2,5 V à 5,5 V
- Plage de tension VR/V/B de 2,5 V à 5,5 V
- 48 canaux de source de courant de 0,2 mA à 20 mA
- Précision d'un canal à l'autre de ±0,5 % (std), ±2 % (maximum) et précision d'un dispositif à l'autre de ±0,5 % (std), ±2 % (maximum)
- Faible tension de seuil (0,26 V (max.) quand I OUT = 5 mA)
- Réglage global de la luminosité à 3 bits (8 niveaux)
- Réglage de la luminosité des couleurs à 8 bits (256 niveaux)
- Contrôle des niveaux de gris MLI à 16 bits maximum (65536 niveaux)
- 16 commutateurs de ligne de balayage avec RDS(ON) de 190 mΩ
- Consommation d'énergie ultra-faible
- VCC indépendant jusqu'à 2,5 V
- ICC le plus bas jusqu'à 3,6 mA avec GCLK 50 MHz
- Mode d'économie d'énergie intelligent avec ICC jusqu'à 0,9 mA
- SRAM intégrée pour prendre en charge le multiplexage de 1–64
- Un seul composant avec un multiplexage de 16 pour prendre en charge des LED 48 × 16 ou des pixels RVB 16 × 16
- Double dispositifs empilables avec un multiplexage de 32 pour prendre en charge des LED 96 x 32 ou des pixels RGB 32 x 32
- Trois dispositifs empilables avec un multiplexage de 48 pour prendre en charge des LED 144 × 48 ou des pixels RVB 48 × 48
- Quatre dispositifs empilables avec un multiplexage de 64 pour prendre en charge des LED 192 × 64 ou des pixel RVB 64 × 64
- Interface série d'horloge continue (CCSI) à haute vitesse et à faible EMI
- Seulement trois fils : SCLK / SIN / SOUT
- 25 MHz externe (max.) SCLK avec mécanisme de transmission à double front (50 MHz interne)
- Multiplicateur de fréquence interne pour prendre en charge une fréquence GCLK élevée
- Performances d'affichage optimisées
- Séquence de ligne de balayage programmable
- Suppression des images fantômes à la hausse et à la baisse
- Amélioration des faibles niveaux de gris
- Détection et suppression de LED ouvertes, courts-circuits, courts-circuits faibles
Applications
- Écran LED à pas de pixel étroit (NPP)
- Produits mini et micro-LED
Schéma fonctionnel
