Texas Instruments Pilotes de dissipateur de courant constant TLC696x1/TLC696x1-Q1
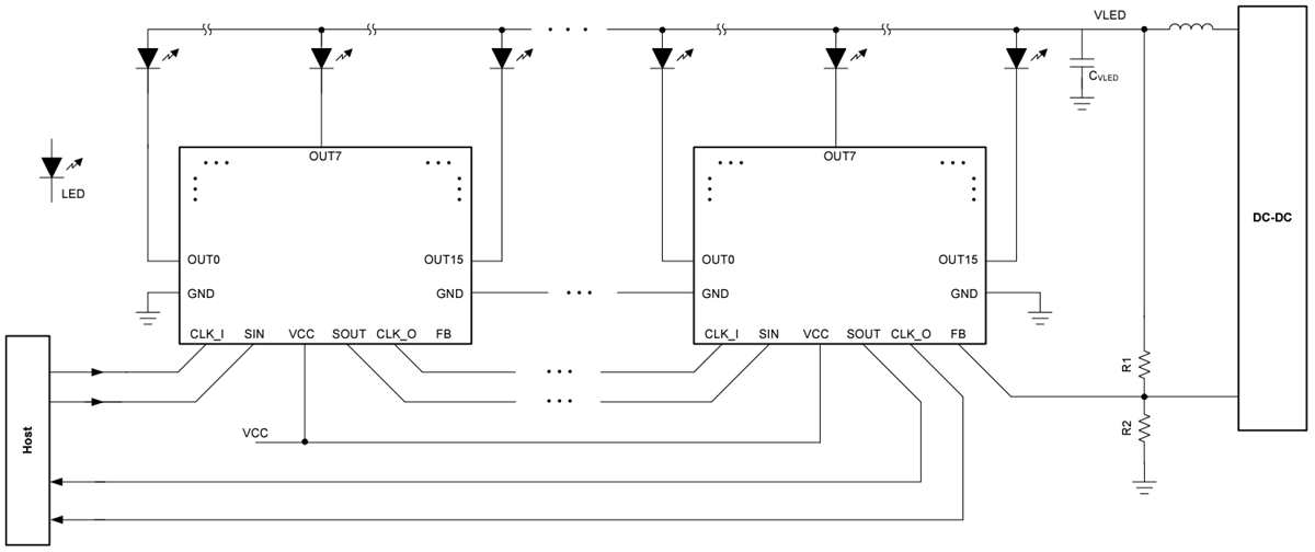
Les pilotes avec dissipateur de courant continu à 16 canaux TLC696x1/TLC696x1-Q1 de Texas Instruments intègrent 16 dissipateurs de courant continu avec SRAM pour le stockage de la luminosité. Le dispositif se connecte par une interface série à deux fils dans une topologie en guirlande et prend en charge jusqu'à 1 024 composants pour 16 000 zones de gradation locales.Le composant dispose d'un schéma de réglage adaptatif de la tension de marge pour contrôler directement la CC/CC et optimiser l'efficacité du système. Seule la broche FB du dernier composant d'une chaîne série doit être connectée à la CC/CC pour simplifier la configuration du système. Le composant intègre également une latence minimale de mise à jour de la luminosité, l'insertion de noir et les fonctionnalités VRR pour améliorer la qualité d'affichage.
Le TLC696x1/TLC696x1-Q1 de Texas Instruments dispose de trois indicateurs d'erreur : la détection d'ouverture de LED (LOD), la détection de court-circuit de LED (LSD) et la détection d'arrêt thermique (TSD) pour le diagnostic. Le dispositif met en œuvre deux options de relecture, notamment UART/INT et SOUT/CLK_O, qui sont programmables par un registre. Les dispositifs TLC696x1-Q1 sont qualifiés AEC-Q100 pour les applications automobiles.
Caractéristiques
- Plage de tension de fonctionnement de 3 V à 5,5 V VCC
- 16 puits de courant continu avec une grande précision
- Courant/tension de sortie maximum
- 30 mA / 20 V : TLC69601/TLC69601-Q1
- 60 mA / 20 V : TLC69611/TLC69611-Q1
- 30 mA / 50 V : TLC69651/TLC69651-Q1
- 60 mA / 50 V : TLC69661/TLC69661-Q1
- Erreur de dispositif à dispositif de ±2 % (std.)
- Erreur canal à canal de ±2 % (std)
- Courant/tension de sortie maximum
- Contrôle de gradation flexible
- Paramètre global de courant maximum (MC) à 8 bits
- Résolution de luminosité jusqu'à 15 bits
- Mode de contrôle à modulation de largeur d'impulsion (PWM)/hybride
- Interface de connexion en guirlande à grande vitesse
- Tension d'E/S compatible avec 1,8 V/3,3 V
- Taux de transfert de données jusqu'à 20 MHz
- Efficacité élevée du système
- Contrôle adaptatif de la tension de marge (AHVC)
- Consommation d'énergie ultra faible de l'appareil
- ICC ≤ 200 uA en mode veille
- ICC ≤ 3,5 mA en mode normal
- Amélioration EMI
- Capacité de conduite d'interface programmable
- Quatre schémas de déphasage intégrés
- Amélioration de la qualité d'affichage
- Latence minimale de mise à jour de la luminosité
- Insertion de noir programmable
- Taux de rafraîchissement variable (VRR) sans scintillement
- Diagnostics
- Détection d'ouverture/court-circuit LED pour chaque zone
- Détection d'arrêt thermique du dispositif
- Option d'interface de rapport
- UART et broche d'interruption (INT)
- Sortie à deux fils : CLK_O et SOUT
Applications
- Rétroéclairage LCD à graduation locale
- Télévision
- Moniteur
- Ordinateur portable
- Tablettes
Fiches techniques
Schéma simplifié
