Texas Instruments Amplificateurs opérationnels à entrée FET et faible bruit TL07xx
Les amplificateurs opérationnels à entrée FET et faible bruit TL07xx Texas Instruments offrent une valeur exceptionnelle pour les applications sensibles au coût. Ils sont disponibles en versions simple (TL071x), double (TL072x) ou quadruple (TL074x). Chaque composant comprend des caractéristiques qui incluent un faible décalage (1 mV, standard), une vitesse de balayage élevée (20 V/μs) et une entrée en mode commun vers l'alimentation positive. Une DES élevée (1,5 kV, HBM), des filtres EMI et RF intégrés et une exploitation sur l'ensemble de –40 °C à 125°C permettent aux dispositifs TL07xH Texas Instruments d'être utilisés dans les applications les plus robustes et les plus exigeantes. Les dispositifs à suffixe C sont caractérisés pour une exploitation de 0°C à 70°C. Les dispositifs à suffixe I sont caractérisés pour une exploitation de −40°C à +85°C. Les dispositifs à suffixe M sont caractérisés pour fonctionner sur toute la plage de températures militaires de −55°C à +125°C.Caractéristiques
- Vitesse de balayage élevée de 20 V/μs (TL07xH, standard)
- Faible tension de décalage 1 mV (TL07xH, std)
- Faible dérive de la tension résiduelle 2 μV/°C
- Faible consommation électrique : 940 μA/canal (TL07xH, std)
- Larges plages de tensions en mode commun et différentielles
- La plage de tension d’entrée en mode commun comprend VCC+
- Faibles courants de décalage et de polarisation d'entrée
- Bruit faible
- Vn = 18 nV/√Hz (std) à f = 1 kHz
- Protection contre les courts-circuits de sortie
- Faible distorsion harmonique totale 0,003% (std)
- Large plage de tensions d’alimentation
- ±2,25 V à ±20 V, 4,5 V à 40 V
Applications
- Énergie solaire (chaîne et onduleur central)
- Entraînements moteur (modules de commande d'entraînement CA et servomoteur et étage de puissance)
- Onduleurs monophasés en ligne
- Onduleurs triphasés
- Mixeurs audio Pro
- Équipement de test de batterie
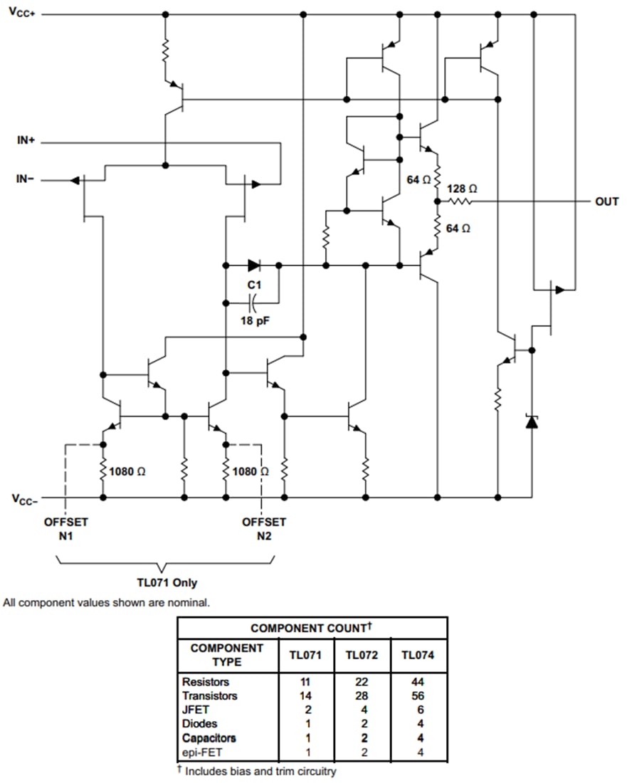
Schéma de principe fonctionnel
Publié le: 2021-01-06
| Mis à jour le: 2025-04-28
