![]() |
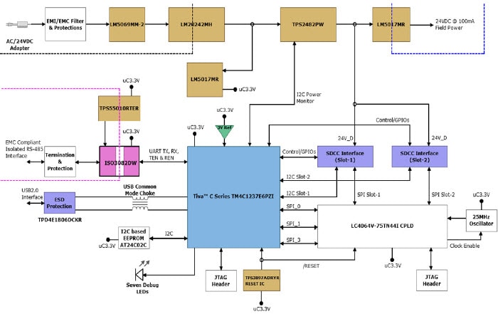
Contrôleur frontal de module E/S PLC TI utilisant un Tiva™ CCes solutions TI mettent en œuvre des MCU de la série Tiva™ C comme contrôleur frontal de la suite TI de cartes de référence à module E/S analogiques et numériques de contrôleur à logique programmable (PLC). Le circuit comprend des sockets pour faire l'interface et commander simultanément deux cartes de référence à solutions E/S de TI. Il permet une polyvalence maximale dans laquelle les cartes E/S peuvent contenir toute combinaison de modules entrée ou sortie, analogique ou numérique. Le système du contrôleur identifie et configure automatiquement chaque carte E/S de façon appropriée, réglant toute compensation requise du circuit analogique. Des alimentations sur carte sont incluses pour alimenter la carte du contrôleur de même que pour fournir une alimentation isolée aux deux cartes E/S, éliminant tout besoin de plusieurs alimentations externes. Un circuit complémentaire est fourni pour optimisation l'acquisition du signal E/S et le débit des données, en permettant une acquisition des données à 1 MS/s complet et des performances de bus SPI à 20 MHz. Cette solution fonctionne aussi comme une plate-forme d'évaluation pour chaque carte E/S, analysant les performances de plusieurs paramètres clés et relayant les résultats à un PC via un connecteur US 2.0 sur carte. Incluse à ce circuit, une interface graphique utilisateur (GUI) exécute un programme d'analyse reposant sur LabView™ qui facilite une évaluation complète des circuits de référence E/S. Cette GUI offre de nombreuses options de configuration des paramètres de test, de même que des options de filtrage et d'installation qui permettent une analyse complète de chaque carte module E/S. Une documentation complète et des fichiers de conception de la plate-forme sont fournis. |
|
Caractéristiques
Ressources supplémentaires
|
Schéma de principe interactif ![]() |
![]() |
Publié le: 2019-09-09
| Mis à jour le: 2023-11-02




Guides de référence 
