Texas Instruments Quadruple concentrateur désérialiseur V3Link 4,16 Gbit / s TDES960
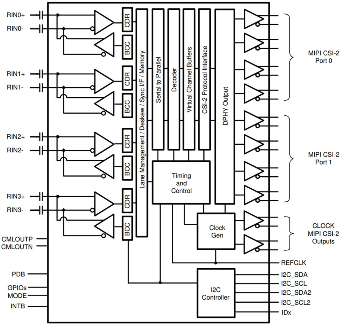
Le quadruple concentrateur désérialiseur TDES960 4,16 Gbit/s V3Link de Texas Instruments est un concentrateur de capteurs polyvalent capable de connecter des données de capteur sérialisées reçues de quatre flux de données vidéo indépendants via une interface V3Link. Quand associé à un sérialiseur TSER953, le TDES960 reçoit des données de capteurs tels que des imageurs prenant en charge une résolution Full HD 1080 p/2 MP à des fréquences d'images de 60 Hz. Les données sont reçues et regroupées en une sortie conforme MIPI CSI-2 pour une interconnexion avec un processeur en aval. Un deuxième port de sortie MIPI CSI-2 est disponible pour fournir une bande passante supplémentaire ou offre une deuxième sortie répliquée pour l'enregistrement des données et le traitement parallèle.Le TDES960 comprend quatre désérialiseurs de liaison V3, chacun permettant une connexion à travers des câbles STP asymétriques de 50 Ω économiques ou différentiels de 100 Ω. Les égaliseurs de réception s'adaptent automatiquement pour compenser les caractéristiques de perte de câble, y compris la dégradation au fil du temps. Chacune des interfaces de liaison V3comprend également un canal de contrôle bidirectionnel séparé à faible latence qui transmet en continu I2C, des GPIO et d'autres informations de contrôle. Les signaux E/S à usage général, tels que ceux requis pour les caractéristiques de synchronisation de la caméra et de diagnostic, utilisent également ce canal de commande bidirectionnel. Le TDES960 de Texas Instruments est proposé en boîtier VQFN à 64 broches économique et compact.
Caractéristiques
- Le quadruple désérialiseur de 4,16 Gbit /s regroupe simultanément les données de jusqu'à quatre capteurs
- Prend en charge deux capteurs mégapixels avec une résolution Full HD 1080 p à une fréquence d'images de 60 Hz
- Plage de température du dispositif (température ambiante de fonctionnement de –20℃ à +85℃)
- Synchronisation multi-caméras précise
- Conforme MIPI DPHY version 1.2 / CSI-2 version 1.3
- Deux ports de sortie MIPI CSI-2
- Prend en charge 1, 2, 3, 4 voies de données par port CSI-2
- Débit de données CSI-2 évolutif pour 400 Mb/s / 800 Mb/s / 1,2 Gb/s / 1,5 Gb/s par voie de données
- Mode de réplication du port
- Latence de chemin de contrôle et de données Ultra-faible
- Prend en charge les câbles coaxiaux asymétriques, y compris Power-over-Coax (PoC) ou blindés à paires torsadées (STP)
- Égalisation de réception adaptative
- Doubles ports I2C avec mode rapide plus jusqu'à 1 Mbit / s
- GPIO flexible pour la synchronisation des capteurs et les diagnostics
- Compatible avec le sérialiseur TSER953
- Générateur interne programmable de synchronisation de trame de précision
- Détection de défaillance de ligne et diagnostics avancés
Applications
- Électroménager
- Vidéo-surveillance
- Ascenseurs et escalators
- Robots industriels
- Vision industrielle
- Surveillance et diagnostics des patients
- Imagerie
Schéma de principe fonctionnel
