Texas Instruments Modules d'évaluation (EVM) TAx5x42EVM-K
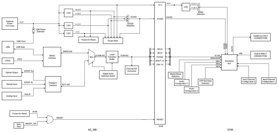
Les modules d'évaluation (EVM) de Texas Instruments TAx5x42EVM-K permettent à l'utilisateur de tester les capacités de divers CODEC audio, CAN et CNA TI. Le TAC5242 est un CODEC haute performance à contrôle matériel à deux canaux. Le TAC5142 est un CODEC à contrôle matériel à deux canaux. Le TAD5242 est un CAN haute performance à contrôle matériel à deux canaux. Le TAA5242 est un CNA haute performance à contrôle matériel à deux canaux, et le TAD5142 est un CNA à contrôle matériel à deux canaux. Les modules d'évaluation sont associés à l'AC-MB, une carte mère flexible qui fournit l'alimentation, le contrôle et les données audio numériques au module d'évaluation. La configuration du dispositif Texas Instruments TAC5242, TAC5142, TAA5242, TAD5242 ou TAD5142 est effectuée via les différentes broches multifonctions (MD0 - MD6).Caractéristiques
- Codec mono/stéréophonique hautes performances avec une portée dynamique de 120 dB CNA et 115 dB CAN
- Codec mono/stéréophonique de performance standard avec une portée dynamique de 106 dB CNA et 102 dB CAN
- Microphones embarqués fournis pour les tests d'enregistrement vocal
- Accès direct aux signaux audio numériques et à l'interface de contrôle pour une intégration simple du système final
- La connexion USB au PC fournit l'alimentation, le contrôle et la transmission de données audio en continu pour une évaluation facile
Contenu du kit
- Dispositif TAC5242, TAC5142, TAA5242, TAD5242 ou TAD5142
- carte fille TAx5x42EVM
- Contrôleur/carte mère AC-MB
Applications
- Récepteurs A/V
- Systèmes de vidéoconférence
- Caméra réseau IP
- Haut-parleurs
Schéma fonctionnel
Configuration de carte
Publié le: 2024-12-16
| Mis à jour le: 2025-02-27
