Texas Instruments Module d'évaluation TAS2781EVM
Le module d'évaluation TAS2781EVM de Texas Instruments démontre les performances de l'amplificateur audio de classe D TAS2781 dans une configuration mono. Ce module d'évaluation utilise des interfaces telles que I2C ou SPI, USB, le contrôle d'arrêt matériel et les embases externes 100 mil pour prendre en charge l'évaluation et le développement du TAS2781. Le module TAS2781EVM peut être contrôlé et configuré à l'aide du logiciel PurePath Console 3.Caractéristiques
- Prend en charge l'évaluation et le développement du TAS2781 via diverses interfaces :
- Interface USB
- Contrôle logiciel via l'interface graphique PurePath™ Console 3 (PPC3), USB-HID
- Dispositif audio de classe USB, compatible avec Microsoft® Windows® 7+
- Interface I2S/TDM - PSIA
- I2C ou SPI
- Connecteurs externes de 100 mil
- Contrôle d'arrêt matériel
- Interruption de sortie
- Utilise le contrôleur intégré pour fournir une interface de connexion et des tensions d'alimentation
- Prise en charge du contrôleur boost Hydrid-pro
- Entrée USB pour les données audio et le contrôle
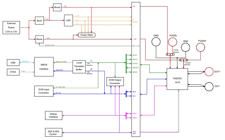
Schéma et diagramme TAS2781EVM
Ressources supplémentaires
Publié le: 2024-01-05
| Mis à jour le: 2024-01-11
