Texas Instruments Émetteurs-récepteurs différentiels pour busSNx5176B
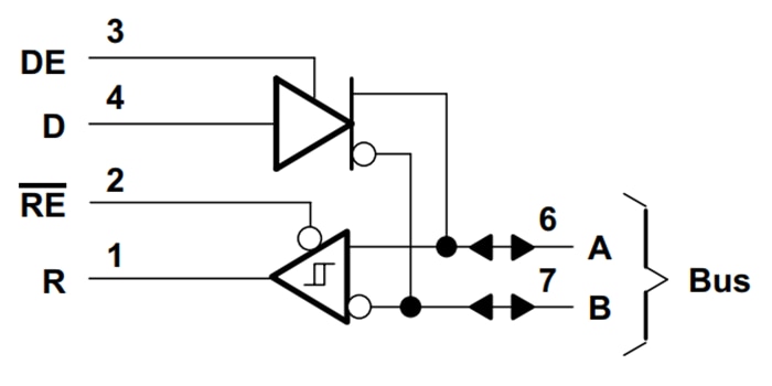
Les émetteurs-récepteurs différentiels pour bus SNx5176B de Texas Instruments sont conçus pour la communication de données bidirectionnelles sur des lignes de transmission de bus multipoint. Les SN65176B et SN75176B répondent aux normes ANSI TIA/EIA-485-A et TIA/EIA-422-B et aux recommandations ITU V.11 et X.27, et sont conçus pour des lignes de transmission équilibrées.Les dispositifs SN65176B et SN75176B de Texas Instruments combinent un récepteur différentiel de ligne d’entrée et un pilote de ligne différentiel à 3 états, qui fonctionnent à partir d’une alimentation électrique unique de 5 V. Le pilote dispose d’une activation active haute et le récepteur dispose d’une activation active basse, qui peut se connecter en externe pour fonctionner comme un contrôle de direction. Les entrées différentielles du récepteur et les sorties différentielles du pilote sont connectées en interne pour former des ports de bus d'entrée/sortie (E/S) différentiels conçus pour offrir une charge minimale au bus lorsque le pilote est VCC = 0 ou est désactivé. Ces ports se caractérisent par de larges plages de tension en mode commun négatif et positif, ce qui rend le dispositif adapté aux applications de ligne partagée.
Le pilote est conçu pour un courant de source ou de dissipation allant jusqu’à 60 mA. Le pilote dispose d’un arrêt thermique négatif et positif et d’une limitation de courant pour une protection contre les conditions de défaut de ligne. L’arrêt thermique est conçu pour se déclencher à une température de jonction d’environ 150 °C. Le récepteur dispose d’une sensibilité d’entrée de ±200 mV, d’une impédance d’entrée minimale de 12 kΩ et d’une hystérésis d’entrée standard de 50 mV.
Caractéristiques
- émetteurs-récepteurs bidirectionnels
- Satisfont ou dépassent les exigences des normes ANSI TIA/EIA-422-B et TIA/EIA-485-A et des recommandations UIT V.11 et X.27
- Conçus pour la transmission multipoint sur de longues lignes de bus dans des environnements bruyants
- Sorties pilote et récepteur à 3 états
- Pilote et récepteur individuels permettant :
- Large plage de tension de bus entrée/sortie positive et négative
- Capacité de sortie du pilote maximale de ±60 mA
- Protection arrêt thermique
- Limitation de courant positif et négatif du pilote
- Impédance d’entrée du récepteur minimale de 12 kΩ
- Sensibilité d’entrée du récepteur de ±200 mV
- Hystérésis d’entrée du récepteur standard 50 mV
- Fonctionne avec une alimentation unique de 5 V
Applications
- Capteurs chimiques et de gaz
- Signalétique numérique
- Interfaces homme-machine (IHM)
- Commandes de moteur
- Induction CA
- CC à brosses et brushless
- Basse et haute tension
- Moteurs pas à pas
- Aimants permanents
- Stations de base TETRA
- Tours de télécommunication
- Unité de basculement électrique à distance (RET)
- Amplificateurs montés en tour (TMA)
- Balances
- Répéteurs sans fil
Vidéos
Schéma fonctionnel
