Texas Instruments Émetteurs-récepteurs doubles SN74LXC8T245/SN74LXC8T245-Q1
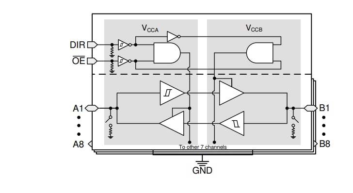
Les émetteurs-récepteurs à double alimentation de Texas Instruments SN74LXC8T245/SN74LXC8T245-Q1 sont des dispositifs de conversion de niveau de tension bidirectionnels non inversés de 8 bits. Les broches Ax et les broches de contrôle (DIR et OE) sont référencées aux niveaux logiques VCCA et les broches Bx sont référencées aux niveaux logiques VCCB. L'accès A peut accepter des tensions d’E/S de 1,1 V à 5,5 V, tandis que l'accès B peut accepter des tensions d’E/S de 1,1 V à 5,5 V. Un DIR élevé permet la transmission de données de A à B, et un DIR faible permet une transmission de données de B à A lorsque OE est réglé sur basse. Lorsque OE est réglé sur haute, les broches Ax et Bx sont dans l’état de haute impédance.Les émetteurs-récepteurs automobiles à double alimentation SN74LXC8T245-Q1 de TI fonctionnent de -40 °C à +125 °C et sont qualifiés AEC-Q100 pour les applications automobiles. Ces dispositifs sont disponibles en boîtiers TSSOP à 24 broches et VQFN à 24 broches.
Caractéristiques
- Une conception à double rail entièrement configurable permet à chaque accès de fonctionner de 1,1 V à 5,5 V
- Séquençage d'alimentation robuste et sans perturbation
- Prise en charge jusqu'à 420 Mbit/s pour 3,3 V à 5,0 V
- Les entrées à bascule de Schmitt permettent des entrées lentes ou bruyantes
- E/S avec résistances d'abaissement dynamiques intégrées pour réduire le nombre de composants externes
- Entrées de commande avec résistances d'abaissement statiques intégrées permettant des entrées de commande flottantes
- Force d'entraînement élevée (jusqu'à 32 mA à 5 V)
- Faible consommation électrique
- 4 µA maximum (25 °C)
- 12 µA maximum (-40 °C à 125 °C)
- Caractéristique d’isolation et de déconnexion de VCC (Ioff-float)
- Si l’une des alimentations VCC est < 100 mV ou déconnectée, toutes les E/S sont tirées vers le bas et deviennent alors à haute impédance.
- Ioff prend en charge l’exploitation en mode de mise hors tension partielle
- Compatible avec les redresseurs de niveau de la famille LVC
- La logique de commande (DIR et OE) est référencée à VCCA
- Température de fonctionnement de -40 °C à +125 °C
- La performance de verrouillage dépasse 100 mA selon JESD 78, classe II
- La protection DES dépasse JESD 22
- Modèle corps humain 4000 V
- Modèle de dispositif chargé 1000 V
Applications
- Éliminer les signaux d'entrée lents ou bruyants
- Voyants lumineux de pilotage ou vibreurs
- Débrayage d'un interrupteur mécanique
- Unité principale d'info-divertissement
- Fusion ADAS
Fiches techniques
Schéma simplifié
Publié le: 2020-12-16
| Mis à jour le: 2024-10-18
