Texas Instruments Verrou de type D transparent 32 bits SN74LVCH32373A
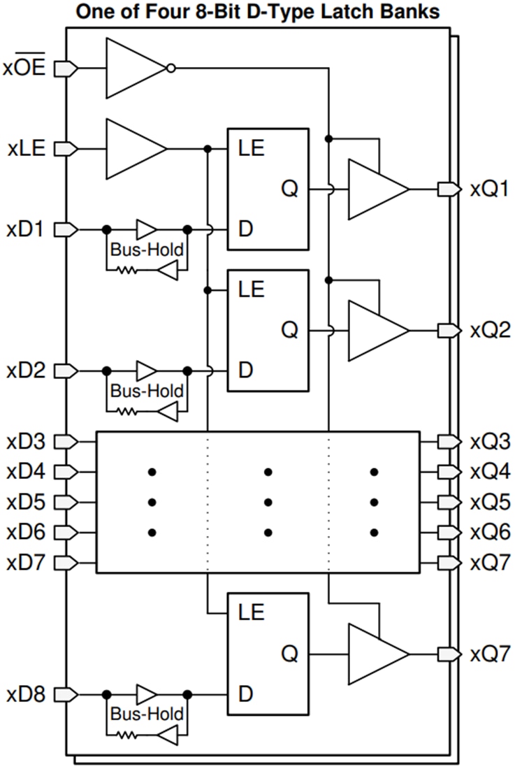
Le verrou de type D transparent 32 bits SN74LVCH32373A de Texas Instruments est conçu pour fonctionner dans une plage de tension d'alimentation (VCC) de 1,65 V à 3,6 V. Le SN74LVCH32373A de Texas Instruments convient à la mise en œuvre de registres tampons, de ports d'E/S, de pilotes de bus bidirectionnels et de registres de travail. Il peut être utilisé comme quatre verrous 8 bits, deux verrous 16 bits ou un verrou 32 bits. Lorsque l'entrée d'activation de verrouillage (LE) est à l'état haut, les sorties Q suivent les entrées de données (D). Lorsque LE est mis à l'état bas, les sorties Q sont verrouillées aux niveaux établis aux entrées D.Caractéristiques
- Membre de la famille Widebus+™ de Texas Instruments
- Fonctionne de 1,65 V à 3,6 V
- Les entrées acceptent des tensions jusqu'à 5,5 V
- tpd maximum de 4,2 ns à 3,3 V
- VOLP standard (rebond à la terre de la sortie) < 0,8 V à VCC = 3,3 V, TA = 25 °C
- VOHV standard (sous-oscillation VOH à la sortie) > 2 V à VCC = 3,3 V, TA = 25 °C
- Ioff prend en charge le fonctionnement en mode de mise hors tension partielle
- Prend en charge un fonctionnement à signal en mode mixte (tensions d'entrée et de sortie de 5 V avec VCCde 3,3 V)
- Le maintien du bus sur les entrées de données élimine le besoin de résistances externes pullup/pull-down
- La performance de verrouillage dépasse 250 mA selon JESD 17.
- La protection contre les DES dépasse les exigences de la norme JESD 22.
- Modèle de corps humain 2 000 V (A114-A)
- Modèle de machine de 200 V (A115-A)
Applications
- Registres de tampon
- Ports E/S
- Pilotes de bus bidirectionnels
- Registres de fonctionnement
Schéma fonctionnel
Publié le: 2020-08-17
| Mis à jour le: 2025-07-03
