Texas Instruments Registre à décalage SN74LVC595A
Le registre à décalage SN74LVC595A de Texas Instruments est un registre à décalage à sortie parallèle et entrée série à 8 bits qui alimente un registre de stockage de type D à 8 bits. Ce registre de stockage dispose de sorties à 3 états parallèles et d'horloges indépendantes pour les registres à décalage et de stockage. Le registre SN74LVC595A fonctionne avec une plage de tension d'alimentation allant de 1,1 V à 3,6 V et une plage de température de jonction de -65 °C à 150 °C. Ce registre à décalage est idéal pour les commutateurs de réseau, les infrastructures électriques, les écrans LED et les serveurs.Caractéristiques
- Plage de fonctionnement de jonction allant de 1,1 V à 3,6 V
- Les entrées tolérantes aux surtensions prennent en charge jusqu'à 5,5 V indépendamment de VCC
- Prend en charge la désactivation partielle avec protection contre le retour à l'état initial (Ioff)
- Plage de température de jonction de -65 °C à 150 °C
- Forte puissance de pilotage de sortie push-pull :
- ±24 mA sous 3,3 V
- ±8 mA sous 2,3 V
- ±4 mA à 1,65 V
- La performance de verrouillage dépasse 250 mA par JESD78
Applications
- Commutateurs de réseau
- Infrastructures électriques
- Affichages LED
- Serveurs
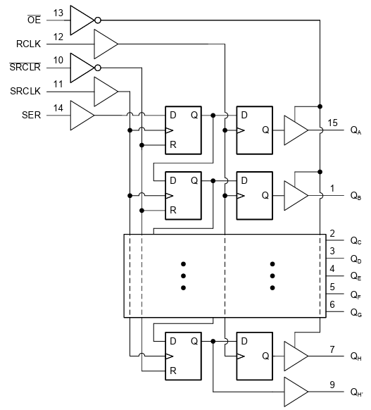
Schéma fonctionnel logique
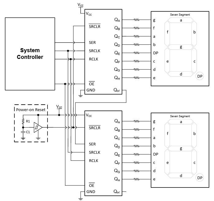
Schéma fonctionnel d'application
Publié le: 2026-01-14
| Mis à jour le: 2026-01-29
