Texas Instruments Registres à décalage SN74LVC165A/SN74LVC165A-Q1
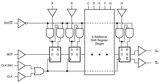
Les registres à décalages Texas Instruments SN74LVC165A/SN74LVC165A-Q1 sont des registres de charges parallèles 8 bits à entrée série (SER), pour permettre un montage en guirlande et une sortie standard et inversée. Les données sont chargées sur le dispositif de manière asynchrone à l’aide de la broche de sélection de décalage ou de charge. Ces registres à décalages permettent la mise hors tension partielle avec protection contre le retour d’entraînement et ont un retard maximal de propagation de 20 ns sous 3,3 V. Les registres SN74LVC165A-Q1 sont homologués AEC-Q100 pour des applications automobiles. Ces registres à décalages servent à augmenter le nombre d’entrées sur un microcontrôleur et dans la révision de lecture sur carte.Caractéristiques
- permettent la mise hors tension partielle avec protection d’entraînement arrière
- Haute résistance à l’entraînement de sortie push-pull :
- ±24 mA sous 3,3 V
- ±8 mA sous 2,3 V
- ±4 mA sous 1,65 V
- Retard maximal de propagation = 20 ns sous 3,3 V
- Les entrées tolérant les surtensions tolèrent jusqu’à 5,5 V
- Plage de tensions de fonctionnement de 1,1 à 3,6 V
- SN74LVC165A-Q1 :
- HomologuéS AEC-Q100 pour les applications automobiles :
- Température de dispositif de classe 1 : -40 à 125 °C
- Niveau 2 de la classification ESD d'appareil HBM
- Niveau C4B de classification d'appareil CDM ESD
- HomologuéS AEC-Q100 pour les applications automobiles :
- Les performances de verrouillage dépassent 100 mA selon la norme JESD78.
Applications
- Augmenter le nombre d'entrées sur un microcontrôleur
- Lire la révision de la carte
Fiches techniques
Schéma fonctionnel
Schéma du circuit d'application
Publié le: 2024-07-18
| Mis à jour le: 2025-05-05
