Texas Instruments Registre à décalage 8 bits SN74LV8T596/SN74LV8T596-Q1
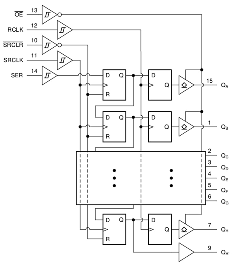
Le registre à décalage SN74LV8T596/SN74LV8T596-Q1 de Texas Instruments contient un registre à décalage de 8 bits à chargement série et à sortie parallèle (SIPO), qui alimente un registre de stockage de type D à 8 bits. Toutes les entrées comprennent des déclencheurs Schmitt, éliminant toutes les sorties de données erronées en raison de signaux d'entrée lents ou bruyants. Le registre de stockage a des sorties parallèles à drain ouvert. Des horloges distinctes sont fournies pour le registre de stockage et le registre à décalage. Le registre à décalage est doté d'une fonction d'une entrée de suppression directe (SRCLR), d'une entrée série (SER) et d'une sortie série (QH') pour la mise en cascade. Lorsque l'entrée d'activation de sortie (OE) est élevée, les sorties sont en état d'impédance élevée. L'exploitation de l'entrée OE n'affecte pas les données du registre interne.L'entrée est conçue avec un circuit à seuil réduit pour prendre en charge la conversion vers le haut lorsque la tension d'alimentation est supérieure à la tension d'entrée. Les broches d’entrée tolérantes à 5 V permettent également une conversion vers le bas lorsque la tension d’entrée est supérieure à la tension d’alimentation. Le niveau de sortie correspond toujours à la tension d’alimentation (VCC) et permet les niveaux CMOS de 1,8 ; 2,5 ; 3,3 ; et 5 V. Les dispositifs SN74LV8T596-Q1 de Texas Instruments sont qualifiés AEC-Q100 pour les applications automobiles.
Caractéristiques
- La logique de verrouillage avec un état connu au démarrage assure un comportement de démarrage cohérent.
- Large plage de fonctionnement de 1,65 V à 5,5 V
- Broches d'entrée tolérant 5,5 V
- Prend en charge le brochage des fonctions standard
- La performance de verrouillage dépasse 250 mA selon JESD 17.
- Les entrées améliorées LVxT combinées à des sorties à drain ouvert offrent une flexibilité de conversion de tension maximale
- Au-dessus de 6,67 Mbps d'exploitation, (RPU = 1 kΩ, CL = 30 pF)
- Conversion vers le haut de 1,2 V en 5 V avec une alimentation de 1,8 V
- Conversion vers le bas de 5 V en 0,8 V, voire moins, avec toute alimentation valide
Applications
- Signalétique numérique
- Contrôle d'une LED d'indication
- Augmenter le nombre de sorties sur un microcontrôleur
Schéma fonctionnel
Ressources supplémentaires
Publié le: 2024-06-07
| Mis à jour le: 2025-05-08
