Texas Instruments Registre à décalage 8 bits à faible bruit SN74LV595B-EP
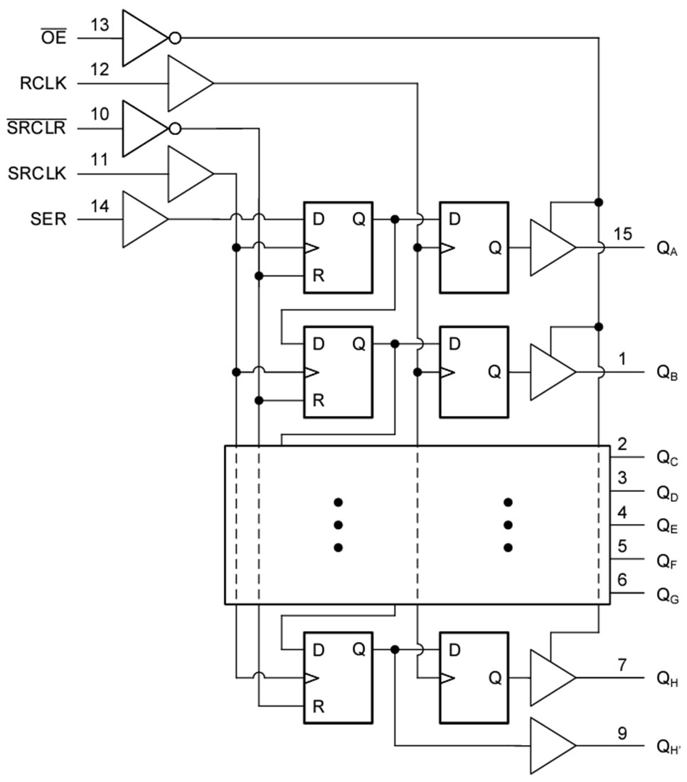
Le registre à décalage 8 bits à faible bruit SN74LV595B-EP de Texas Instruments contient un registre à décalage à entrée série et sortie parallèle de 8 bits qui alimente un registre de stockage de type D de 8 bits. Le registre de stockage possède des sorties à 3 états parallèles. Des horloges séparées sont prévues pour le registre de décalage et de stockage. Le registre à décalage possède une entrée de remise à zéro directe (SRCLR), une entrée série (SER) et une sortie série pour la mise en cascade. Lorsque l’entrée d’activation de sortie (OE) est élevée, toutes les sorties sauf QH sont en état d’impédance élevée. Le dispositif est entièrement spécifié pour les applications de mise hors tension partielle à l’aide de l’Ioff. Le circuit Ioff désactive les sorties, évitant d’endommager le flux de retour de courant à travers le dispositif lorsqu’il est éteint. Le dispositif SN74LV595B-EP de Texas Instruments dispose de fils de liaison en or, d'une plage de température de –55 °C à +105 °C et d'une finition en plomb SnPb.Caractéristiques
- Fonctionnement de 2 V à 5,5 V pour VCC
- tpd maximum de 6,5 ns à 5 V
- Prend en charge le fonctionnement de la tension en mode mixte sur tous les ports
- Ioff prend en charge le fonctionnement en mode de mise hors tension partielle
- Les performances de verrouillage dépassent 250 mA selon JESD 17
- Température ambiante de fonctionnement de -55 °C à +125 °C
- Prend en charge la défense, l'aérospatiale et les applications médicales
- Référence contrôlée
- Un site d'assemblage et de test
- Un site de fabrication
- Cycle de vie produit étendu
- Traçabilité des produits
Applications
- Extension de sortie
- Contrôle matrice LED
- Contrôle d'affichage à 7 segments
Schéma logique
Publié le: 2023-11-02
| Mis à jour le: 2023-11-09
