Texas Instruments Multiplexeurs et démultiplexeurs analogiques doubles SN74LV4052A/SN74LV4052A-Q1
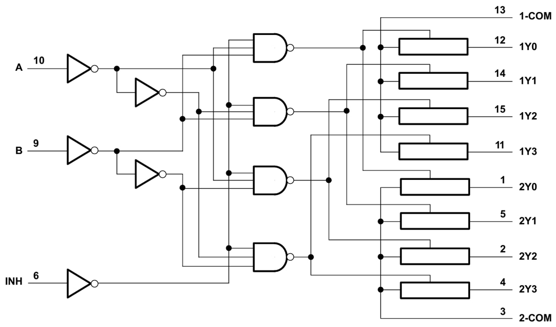
Les multiplexeurs et démultiplexeurs analogiques doubles SN74LV4052A/SN74LV4052A-Q1 de Texas Instruments sont des multiplexeurs et démultiplexeurs analogiques CMOS à 4 canaux conçus pour une exploitation VCC de 1,65 V à 5,5 V. Les dispositifs SN74LV4052A/SN74LV4052A-Q1 gèrent à la fois les signaux numériques et analogiques. Des signaux avec des amplitudes allant jusqu'à 5,5 V (crête) sont autorisés dans chaque canal pour être transmis dans les deux directions. Les dispositifs SN74LV4052A-Q1 de Texas Instruments sont qualifiés AEC-Q100 pour les applications automobiles.Caractéristiques
- Exploitation VCC de 1,65 V à 5,5 V
- Commutation rapide
- Rapport de tension de sortie marche/arrêt élevé
- Faible diaphonie entre les commutateurs
- Courant d'entrée extrêmement faible
- La performance de verrouillage dépasse 100 mA selon la norme JESD 78, classe II
- La protection ESD dépasse JESD 22
- Modèle corps humain 2 000 V (A114-A)
- Modèle de dispositif chargé 1 000 V (C101)
Applications
- Télécommunications
- Infoloisir
- Déclenchement et isolation de signal
- Appareils ménagers
- Circuits logiques programmables
- Modulation et démodulation
Fiches techniques
Schéma logique (logique positive)
Publié le: 2024-11-05
| Mis à jour le: 2025-03-27
