Texas Instruments Double bascule de type D SN74LV2T74/SN74LV2T74-Q1
Les doubles bascules de type D SN74LV2T74/SN74LV2T74-Q1 de Texas Instruments contiennent deux bascules indépendantes de type D à déclenchement par fronts positifs. Un niveau bas à l'entrée préréglée (PRE) met la sortie à l'état haut. Un niveau bas à l'entrée d'effacement (CLR) réinitialise le niveau bas de sortie. Les fonctions de préréglage et d'effacement sont asynchrones et ne dépendent pas des niveaux des autres entrées. Lorsque PRE et CLR sont inactifs (hauts), les données au niveau de l'entrée de données (D) répondant aux exigences de temps de configuration sont transférées aux sorties (Q, Q) sur le front montant de l'impulsion d'horloge (CLK). Le déclenchement de l'horloge se produit à un niveau de tension et n'est pas directement lié au temps de montée du signal d'horloge d'entrée (CLK). Après l'intervalle de temps de maintien, les données à l'entrée (D) peuvent être modifiées sans affecter les niveaux aux sorties (Q, Q). Le niveau de sortie est référencé à la tension d'alimentation (VCC) et prend en charge les niveaux CMOS de 1,8 V, 2,5 V, 3,3 V et 5 V.L'entrée est conçue avec un circuit de seuil plus faible pour prendre en charge la conversion pour les entrées CMOS à tension plus faible (par exemple, une entrée de 1,2 V à une sortie de 1,8 V ou une entrée de 1,8 V à une sortie de 3,3 V). De plus, les broches d'entrée tolérantes de 5 V permettent une traduction vers le bas (par exemple, sortie de 3,3 V à 2,5 V). Les dispositifs SN74LV2T74-Q1 de Texas Instruments sont homologués AEC-Q100 pour les applications automobiles. Les dispositifs LSN74LV2T74-EP sont dotés de fils de liaison en or, d'une plage de température de –55 °C à +105 °C et d'une finition en fil SnPb.
Caractéristiques
- Large plage de fonctionnement de 1,8 V à 5,5 V
- Convertisseur de tension d'alimentation unique (voir la tension d'entrée améliorée LVxT) :
- Conversion vers le haut
- De 1,2 V à 1,8 V
- De 1,5 V à 2,5 V
- 1,8 V et 3,3 V
- De 3,3 V à 5,0 V
- Conversion vers le bas
- 5,0 V, 3,3 V, 2,5 V à 1,8 V
- 5,0 V, 3,3 V à 2,5 V
- De 5,0 V à 3,3 V
- Conversion vers le haut
- Broches d'entrée tolérant 5,5 V
- Prend en charge les brochages standard
- Jusqu'à 150 Mbps avec une VCC de 5 V ou 3,3 V
- La performance de verrouillage dépasse 250 mA selon JESD 17.
Applications
- Convertir un interrupteur momentané en interrupteur à bascule
- Maintenir un signal pendant la réinitialisation du contrôleur
- Signaux d'entrée à vitesse de front lent
- Fonctionne dans des environnements bruyants
- Diviser un signal d'horloge par deux
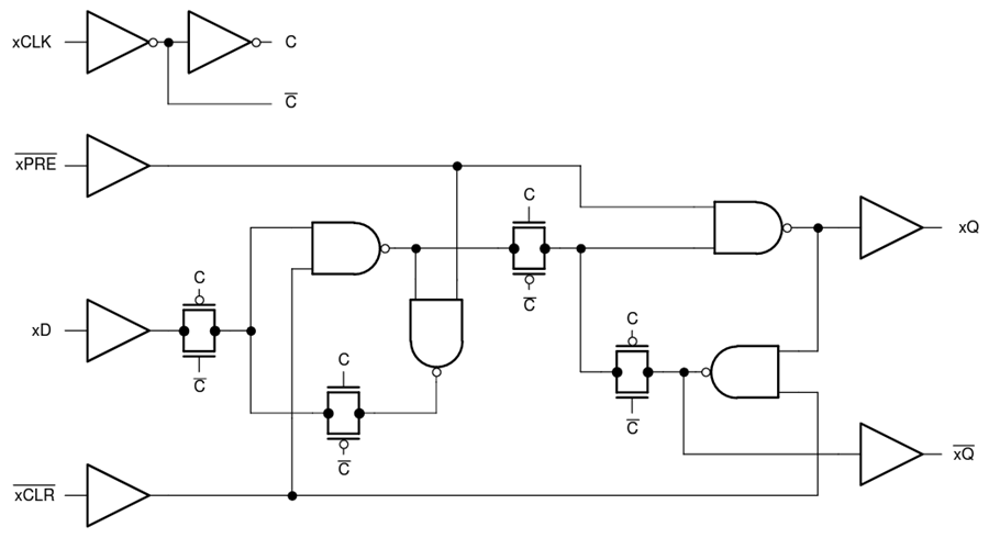
Schéma fonctionnel
Publié le: 2023-06-16
| Mis à jour le: 2024-01-05
