Texas Instruments Registre à décalage 8 bits SN74HCT595/SN74HCT595-Q1
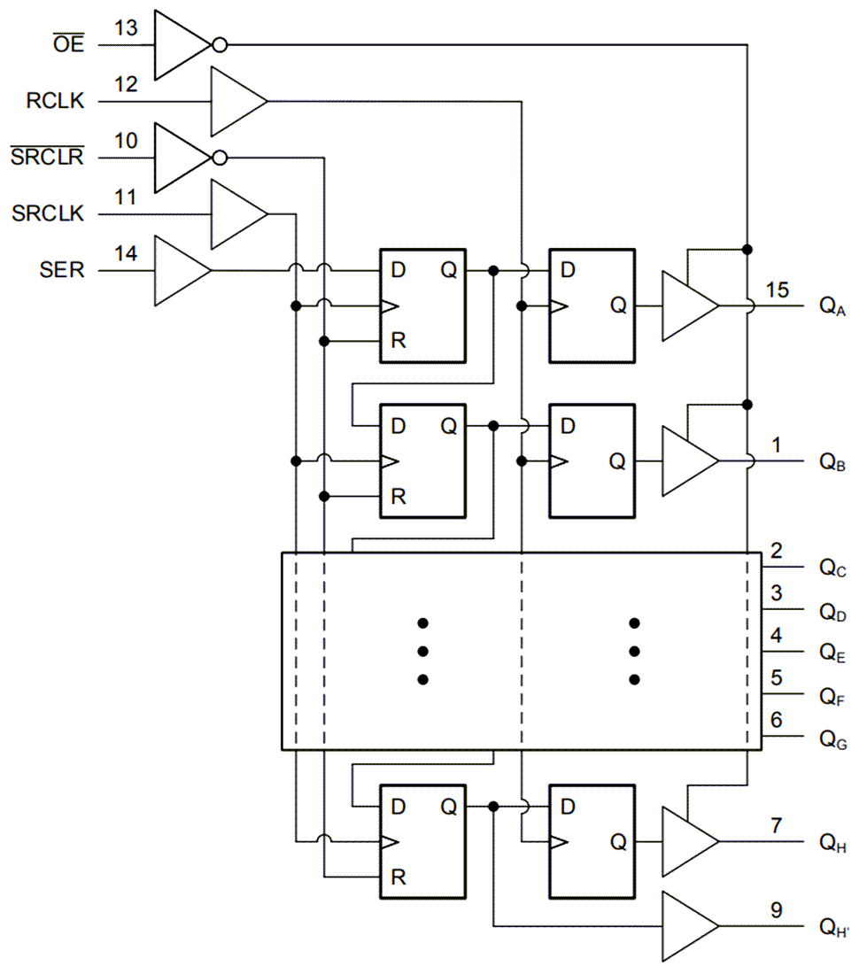
Le registre à décalage 8 bits SN74HCT595/SN74HCT595-Q1 de Texas Instruments contient un registre à décalage 8 bits, à entrée série et à sortie parallèle, qui alimente un registre de stockage de type D 8 bits. Le registre de stockage a des sorties parallèles à 3 états. Des horloges séparées sont prévues pour le registre de décalage et de stockage. Le registre de décalage dispose d'une entrée SRCLR (transparente de substitution directe ), d'une entrée série (SER) et d'une sortie série (QH’) pour la mise en cascade. Lorsque l'entrée d'activation de sortie (OE) est à l'état haut, les sorties du registre de stockage sont dans un état de haute impédance. Les données du registre interne et la sortie série (QH’) ne sont pas affectées par le fonctionnement de l'entrée OE. Les dispositifs SN74HCT595-Q1 de Texas Instruments sont qualifiés AEC-Q100 pour les applications automobiles.Caractéristiques
- Compatible logique d'entrée LSTTL
- VIL(max) = 0,8 V, VIH(min) = 2 V
- Compatible avec la logique d'entrée CMOS
- II ≤ 1 µA à VOL, VOH
- Fonctionnement de 4,5 V à 5,5 V
- Prend en charge des charges de sortance jusqu'à 10 LSTTL
- Le registre de décalage a un effacement direct
- –40° C à +125° C, plage de température ambiante TA étendue
Applications
- Extension de sortie
- Contrôle matrice LED
- Contrôle d'affichage à 7 segments
- Stockage de données 8 bits
Fiches techniques
Diagramme fonctionnel
Publié le: 2022-03-16
| Mis à jour le: 2022-04-04
