Texas Instruments Registre à décalage 8 bits SN74HCS596/SN74HCS596-Q1
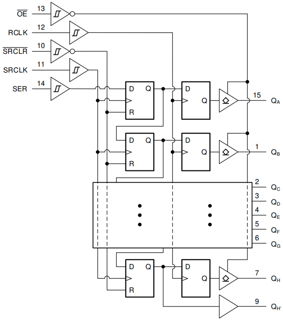
Le registre de décalage entrée série/sortie parallèle 8 bits SN74HCS596/SN74HCS596-Q1 de Texas Instruments contient un registre de décalage 8 bits à entrée série, sortie parallèle qui alimente un registre de stockage de type D à 8 bits. Toutes les entrées comprennent des déclencheurs de Schmitt, qui éliminent toute sortie de données erronée due à des signaux d'entrée lents ou bruyants. Le registre de stockage a des sorties parallèles à drain ouvert. Des horloges séparées sont prévues pour le registre de décalage et le registre de stockage. Le registre à décalage dispose d'une entrée d'effacement direct (SRCLR), d'une entrée série (SER) et d'une sortie série (QH') pour la mise en cascade. Lorsque l'entrée d'activation de sortie (OE) est élevée, les sorties sont en état d'impédance élevée. Les données du registre interne sur le SN74HCS596/SN74HCS596-Q1 de Texas Instruments ne sont pas affectées par le fonctionnement de l'entrée OE. Les dispositifs SN74HCS596-Q1 sont homologués AEC-Q100 pour les applications automobiles.Caractéristiques
- Large plage de tension de fonctionnement de 2 V à 6 V
- Les entrées à bascule de Schmitt permettent des signaux d'entrée lents ou bruyants
- Entraînement de sortie de ±7,8 mA à 6 V
- Faible consommation d'énergie
- ICC standard de 100 nA
- Courant de fuite d'entrée standard de ±100 nA
Applications
- Extension de sortie
- Contrôle matrice LED
- Contrôle d'affichage à 7 segments
- Stockage de données 8 bits
Fiches techniques
Schéma de principe fonctionnel
Publié le: 2020-07-14
| Mis à jour le: 2024-07-02
