Texas Instruments Registre de décalage 8 bits SN74HCS594/SN74HCS594-Q1
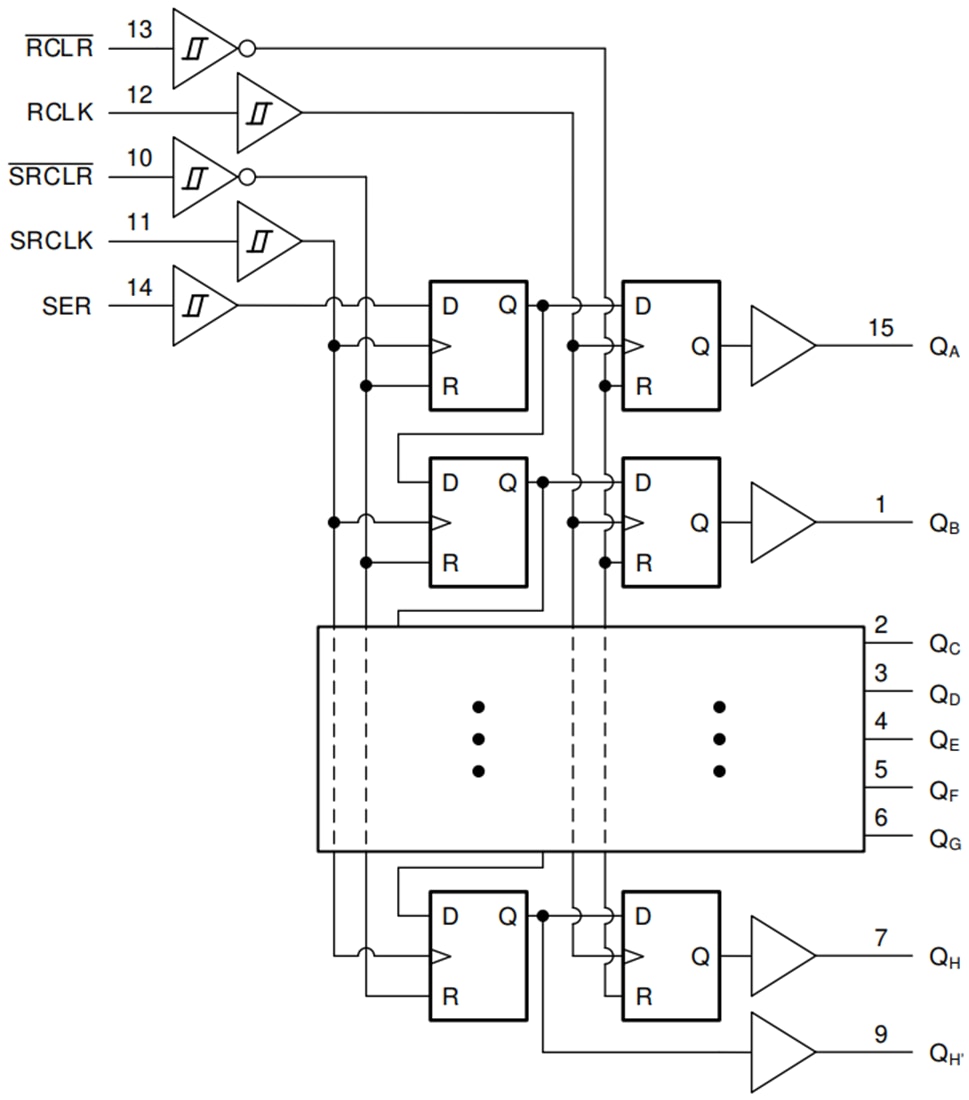
Le registre de décalage entrée série/sortie parallèle 8 bits SN74HCS594/SN74HCS594-Q1 de Texas Instruments contient un registre de décalage 8 bits à entrée série, sortie parallèle qui alimente un registre de stockage de type D à 8 bits. Toutes les entrées comprennent des déclencheurs Schmitt, éliminant toutes les sorties de données erronées en raison de signaux d'entrée lents ou bruyants. Le registre de stockage a des sorties parallèles. Des horloges séparées et des entrées d'effacement direct (SRCLR, RCLR ) sont prévues pour le registre de décalage et le registre de stockage. Une sortie série (QH') est prévue pour la mise en cascade. Les horloges du registre à décalage (SRCLK) et du registre de stockage (RCLK) du SN74HCS594/SN74HCS594-Q1 de Texas Instruments sont déclenchées par front positif. Si les deux horloges sont connectées, le registre de décalage est un pulse de comptage devant le registre de stockage. Les dispositifs SN74HCS594-Q1 sont homologués AEC-Q100 pour les applications automobiles.Caractéristiques
- Large plage de tension de fonctionnement de 2 V à 6 V
- Les entrées de déclenchement de Schmitt permettent des signaux d'entrée lents ou bruyants
- Entraînement de sortie de ±7,8 mA à 6 V
- Faible consommation d'énergie
- ICC standard de 100 nA
- Courant de fuite d'entrée standard de ±100 nA
Applications
- Extension de sortie
- Contrôle matrice LED
- Contrôle d'affichage à 7 segments
- Stockage de données 8 bits
Fiches techniques
Schéma fonctionnel
Publié le: 2020-07-14
| Mis à jour le: 2024-07-02
