Texas Instruments Loquets adressables 8 bits SN74HCS259/SN74HCS259-Q1
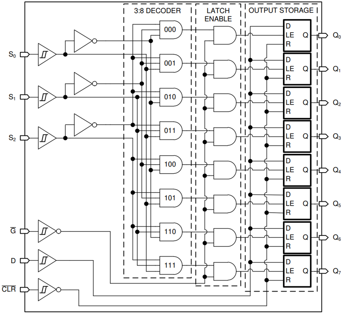
Les loquets adressables 8 bits SN74HCS259/SN74HCS259-Q1 de Texas Instruments sont conçus pour les applications de stockage à usage général dans les systèmes numériques. Les utilisations spécifiques incluent les registres fonctionnels, les registres de rétention en série et les décodeurs ou démultiplexeurs actifs élevés. Ces dispositifs multifonctionnels peuvent stocker des données sur une seule ligne dans huit verrous adressables. Ces dispositifs peuvent également être un décodeur ou un démultiplexeur 1 sur 8 avec des sorties actives coté haut. Les dispositifs SN74HCS259-Q1 de Texas Instruments sont qualifiés AEC-Q100 pour les applications automobiles.Caractéristiques
- Large plage de tension de fonctionnement de 2 V à 6 V
- Les entrées à bascule de Schmitt permettent des signaux d'entrée lents ou bruyants
- Commande de sortie de 7,8 mA à 6 V
- Plage de température ambiante étendue TA de –40 °C à +125 °C
- Faible consommation d'énergie
- ICC standard de 100 nA
- Courant de fuite d'entrée standard de ±100 nA
Applications
- Sélection de dispositifs à mémoire avec un bus de données partagé
- Réduire le nombre de sorties requises pour les applications à sélection de puce
- Données d'itinéraire
Fiches techniques
Schéma fonctionnel
Publié le: 2020-08-19
| Mis à jour le: 2024-11-07
