Texas Instruments Décodeur/Démultiplexeur SN74HCS237/SN74HCS237-Q1
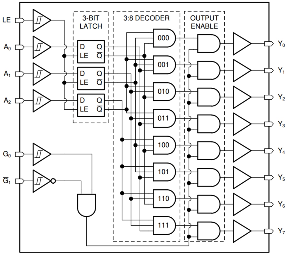
Le décodeur/démultiplexeur SN74HCS237/SN74HCS237-Q1 de Texas Instruments est un décodeur de trois à huit avec entrées d'adresses verrouillées, une course de sortie standard (G0) et une course de sortie stroboscopique active faible (G1). Lorsque l'entrée d'activation du verrouillage (LE) est élevée, le dispositif agit comme un décodeur standard de trois à huit. Lorsque l'entrée d'activation du verrouillage (LE) est faible, le verrouillage d'adresse conserve son état précédent. Lorsque les sorties sont déclenchées par l'une ou l'autre des entrées stroboscopiques, elles sont toutes forcées à l'état bas. Lorsque les sorties ne sont pas désactivées par l'une ou les deux entrées stroboscopiques, seule la sortie sélectionnée est activée, tandis que toutes les autres sont désactivées. Les dispositifs SN74HCS237-Q1 de Texas Instruments sont qualifiés AEC-Q100 pour les applications automobiles.Caractéristiques
- Large plage de tension de fonctionnement de 2 V à 6 V
- Les entrées de déclenchement de Schmitt permettent des signaux d'entrée lents ou bruyants
- Entraînement de la sortie de ±7,8 mA à 6 V
- Plage étendue de température ambiante TA de -40 à +125 °C
- Faible consommation d'énergie
- ICC standard de 100 nA
- Courant de fuite d'entrée standard de ±100 nA
Applications
- Sélection de périphérique de mémoire avec un bus de données partagé
- Données d'itinéraire
- Réduire le nombre de sorties requises pour les applications à sélection de puce
Schéma fonctionnel
Fiches techniques
Publié le: 2020-10-27
| Mis à jour le: 2024-09-09
