Texas Instruments Bascules doubles de type D SN74HC74/SN74HC74-Q1
Les doubles bascules de type D SN74HC74/SN74HC74-Q1 de Texas Instruments contiennent deux bascules indépendantes de type D à déclenchement par fronts positifs avec un préréglage asynchrone et des broches transparentes pour chacune. Ces dispositifs ont une large plage de tension d’exploitation de 2 V à 6 V et une large plage de température de fonctionnement de -40°C à +85°C. Les dispositifs SN74HC74-EP ont des fils de liaison en or, une plage de température de –55 à +105 °C et une finition en plomb SnPb. Les dispositifs SN74HC74-Q1 de Texas Instruments sont qualifiés AEC-Q100 pour les applications automobiles.Caractéristiques
- Entrées tamponnées
- Plage de température de fonctionnement
- SN74HC74 : de -40 °C à +85 °C
- SN74HC74-EP : de -55 °C à 125 °C
- SN74HC74-Q1 : de –40 °C à +125 °C
- Large plage de tension d’exploitation de 2 V à 6 V
- Prend en charge des charges de sortance jusqu'à 10 LSTTL
- Réduction significative de la puissance par rapport aux CI logiques LSTTL
Applications
- Convertissent un commutateur momentané en un interrupteur à bascule
- Divisent un signal d’horloge par 2 ou 4
Ressources supplémentaires
- Fiche technique SN74HC74
- Fiche technique SN74HC74-EP
- Fiche technique SN74HC74-Q1
- Note d’application : concevoir avec logique
- Note d’application : implications des entrées CMOS lentes ou flottantes
- Note d'application - Comprendre et interpréter les fiches techniques de logique standard
- Note d’application : utilisation de CMOS à haut débit et de CMOS avancé dans les systèmes avec plusieurs VCC
- Guide de sélection : guide logique
- Guide d’utilisation : livre de données de poche LOGIQUE
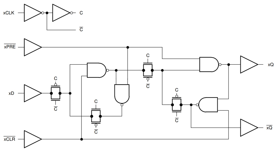
Schéma fonctionnel
Publié le: 2025-05-01
| Mis à jour le: 2025-05-09
