Texas Instruments Compteurs binaires 4 bits doubles SN74HC393/SN74HCS393
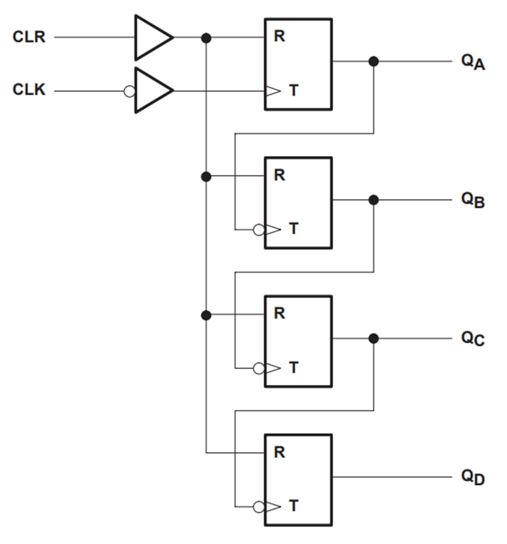
Les compteurs binaires 4 bits doubles SN74HC393/SN74HCS393 de Texas Instruments contiennent huit bascules et des portes supplémentaires pour mettre en œuvre deux compteurs 4 bits individuels dans un seul boîtier. Ces dispositifs comprennent deux compteurs binaires 4 bits indépendants, chacun ayant une entrée de remise à zéro (CLR) et d'horloge (CLK). Des compteurs binaires de N bits peuvent être mis en œuvre avec chaque boîtier, offrant la capacité de diviser par 256. Les SN74HC393/SN74HCS393 de Texas Instruments ont des sorties parallèles à partir de chaque étage de compteur afin que tout sous-multiple de la fréquence de comptage d'entrée soit disponible pour les signaux de temporisation du système.Caractéristiques
- Large plage de tension d'exploitation de 2 V à 6 V
- Les sorties peuvent piloter jusqu'à 10 charges LSTTL
- Faible consommation électrique de 80 µA (max.) ICC
- tpd standard = 13 ns
- Commande de sortie de ±4 mA à 5 V
- Courant d'entrée faible de 1 µA (max.)
- Compteurs binaires 4 bits doubles avec horloges individuelles
- Remise à zéro directe pour chaque compteur 4 bits
- Peut améliorer considérablement la densité des systèmes en réduisant de 50 % le nombre de boîtiers
Schéma logique (logique positive)
Publié le: 2024-12-03
| Mis à jour le: 2024-12-13
